Pavel Jandera (Počátky a historie ČS HPLC)
_l.webp)
ČSHS: Pavel Jandera (Počátky a historie ČS HPLC)
Pavel Jandera, prof. Ing. DrSc., narozen 1.4. 1944 v Hradci Králové, profesor Katedry analytické chemie Fakulty chemicko‐technologické na Univerzitě Pardubice. V r. 1967 dokončil inženýrské studium na VŠCHT Pardubice, na Katedře analytické chemie, kde od r. 1970 působil postupně jako odborný asistent. V r. 1977 obhájil kandidátskou práci, v r. 1989 získal hodnost DrSc. Habilitovat se směl až v r. 1990, v r. 1992 byl jmenován profesorem analytické chemie. V této funkci stále působí na Katedře analytické chemie Univerzity Pardubice. Ve vědecké práci se zabývá především vysokoúčinnou kapalinovou chromatografií, kde se zaměřuje na studium principů separace a retenčních mechanismů. Vypracoval ucelenou teorii chromatografie s programovanou elucí, zabýval se vývojem technik gradientové eluce v preparativní chromatografii, v poslední době se věnuje vývoji monolitických kapilárních kolon a dvourozměrné kapalinové chromatografii. Výsledky publikoval formou 250 článků v mezinárodních odborných časopisech. Je autorem řady monografií a plenárních přednášek na mezinárodních konferencích. Je členem mazinárodních komisí a držitelem ocenění, z nichž poslední je ocenění Britské Chromatografické společnosti z r. 2015 medailí AJP Martina.
Před časem mi kolega Pól věnoval knížku o historii československé hmotnostní spektrometrie, která se mi moc líbila, a současně mne požádal o sepsání příspěvku do plánované knížky o historii československé HPLC. Rád jsem souhlasil a výsledkem je tato kapitola, kde se pokouším zachytit postupně blednoucí vzpomínky na postupný přechod od klasické nízkotlaké kapalinové chromatografie k moderní HPLC na Katedře analytické chemie VŠCHT v Pardubicích, v kontextu tehdejší celkové situace, na vývoj techniky a na lidi, kteří se na něm podíleli. Mé vyprávění je osobní a neúplné, řada z kolegů ‐ pamětníků ‐ v jiných kapitolách prezentuje svůj, v mnohém jistě odlišný a někdy možná i objektivnější, pohled na vývoj HPLC.
LÉTA ŠEDESÁTÁ ‐ POČÁTKY CHROMATOGRAFIE NA VŠCHT V PARDUBICÍCH
Pardubickou VŠCHT jsem studoval v letech 1962‐1967. Jako specializaci jsem si vybral analytickou chemii a nelitoval jsem. Poměry na Katedře analytické chemie byly na tehdejší dobu velmi liberální, především zásluhou zcela mimořádné osobnosti jejího tehdejšího vedoucího, zakladatele československé školy organické analýzy, prof. Ing. Dr. Miroslava Jurečka, DrSc. Pan profesor vedl katedru až do r. 1971. Prof. Jureček zosobňoval nejlepší odborné a lidské kvality profesora z prvorepublikové doby a získal si neobyčejný respekt. Byl vynikajícím vědcem a náročným pedagogem, měl obrovský všeobecný přehled, vždy byl ochoten zapáleně diskutovat o svém oboru a projevoval velmi lidský přístup k mladším kolegům i studentům, s nimiž přicházel do styku.
ČSHS: Obr. 1: Dnes zrenovovaná budova bývalé strojnické průmyslovky na Náměstí Legií (dříve Leninovo nám.), sídlo VŠCHT v Pardubicích
Další osobností, která měla rozhodující vliv na můj odborný vývoj, byl prof. Ing. Jaroslav Churáček, DrSc. Jaroslav patřil k prvním absolventům VŠCHT, kterou absolvoval v r. 1957. V témže roce přijal prof. Jureček čerstvého inženýra Churáčka jako asistenta na katedru, kde pod jeho vedením v r. 1963 obhájil hodnost kandidáta věd, v r. 1967 se stal docentem a v r. 1971 vystřídal prof. Jurečka jako její vedoucí. V r. 1975 získal hodnost doktora věd a v r. 1981 byl jmenován profesorem analytické chemie. Prof. Churáček si brzy po svém nástupu uvědomil rozhodující úlohu, kterou budou mít nastupující instrumentální metody v moderní organické analýze, a byl zakladatelem a průkopníkem chromatografie v Pardubicích. Od r. 1965 začal pravidelně přednášet chromatografické separační metody na VŠCHT v Pardubicích. K přednáškám vydal v r. 1966 i skripta a zavedl laboratorní cvičení, kde jsme se jako studenti seznamovali s experimentálními základy papírové, tenkovrstvá a plynové chromatografie. V jeho chromatografické skupině pracovali dr. Dagmar Tocksteinová, Ing. Helena Pechová a Ing. Karel Komárek. Dáša a Helenka, s nimiž jsem několik prvních let po nástupu sdílel laboratoř, se zabývaly chromatografií barevných derivátů aminů, fenolů, alkoholů a dalších látek v plošném uspořádání, po derivatizaci činidly, vyvinutými na Katedře analytické chemie ve spolupráci s Katedrou organické chemie pardubické VŠCHT. Většinu těchto typů derivátů jsem později zkoušel separovat kolonovou kapalinovou chromatografií. Kája Komárek se intenzivně zabýval aplikacemi tehdy nové techniky plynové chromatografie, především pro analýzu halogenovaných esterů karboxylových kyselin.
ČSHS: Obr. 2: Prof. Churáček ukazuje prof. Jurečkovi jednu ze svých publikací v časopisu Journal of Chromatography
Chromatografické experimenty ve studentských laboratořích se mi moc líbily a po promoci v r. 1967 jsem s radostí přijal nabídku tehdejšího docenta Jaroslava Churáčka na roční studijní pobyt v jeho chromatografické skupině. V té době se ve světě začala výrazně modernizovat technika analytické sloupcové kapalinové chromatografie, kterou chtěl Jaroslav zařadit do portfolia své "separatistické" skupiny. Měl jsem tedy příležitost "být při tom", když si technika HPLC postupně nacházela cestu do Československa.
Tato kniha vznikla za vzájemné spolupráce České společnosti pro hmotnostní spektrometrii, české pobočky firmy Thermo Fisher Scientific a firmy Pragolab. Vydání bylo realizováno za sponzorského přispění firem Thermo Fisher Scientific a Pragolab.
ČSHS: Česká společnost pro hmotnostní spektrometrii, česká pobočka firmy Thermo Fisher Scientific, firma Pragolab.
1967‐ 1970: IONTOVĚ‐VÝMĚNNÁ CHROMATOGRAFIE
Když jsem v září 1967 nastoupil na studijní pobyt k doc. Churáčkovi, měla československá chromatografie ve světě už velmi dobrý zvuk, zejména díky průkopnickým pracím gigantů tohoto oboru: Jaroslava Janáka v plynové chromatografii, Karla Macka a Ivo Haise v technikách chromatografie v plošném uspořádání. Vedle nich už v této době získali věhlas na poli plynové a tenkovrstevné chromatografie další osobnosti jako Josef Novák v Janákově Ústavu analytické chemie v Brně, Eva Smolková‐Keulemansová na Karlově Univerzitě v Praze, Jaroslav Franc a Jiří Gasparič v Pardubicích. Postupně přibývali další.
Přesto, že kolonová kapalinová chromatografie byla objevena M. S. Cvětem již začátkem 20. století, její aplikace se až do druhé poloviny šedesátých let omezovaly na nízkotlakou klasickou techniku. Od čtyřicátých let byla nejvíce využívána chromatografie iontové výměny, pro niž byly od konce padesátých let k dispozici jednoúčelové komerční přístroje ‐ analyzátory aminokyselin, předchůdci prvních přístrojů pro HPLC. Začátkem šedesátých let se objevila komerční zařízení pro nízkotlakou molekulovou vylučovací chromatografii na hydrofilních gelech (gelovou filtraci). V polovině šedesátých let realizovaly první separace technikou HPLC (i když s tlakovým omezením do cca 50 barů) skupiny Josefa Hubera na univerzitě v Eindhovenu a Csaby Horvátha na Yale University v USA.
První komerční přístroje pro středotlakou LC uvedly na trh koncem šedesátých let firmy Waters a DuPont. Za průlomovou práci v této oblasti lze označit (tehdy) rychlou separaci nukleotidů v úzkých kolonách s povrchově pórovitými částicemi s filmem iontověvýměnné stacionární fáze na nepropustném kulovém jádru (C.G. Horváth, B.A. Preis, S.R. Lipsky, Anal. Chem. 39 (1967) 1422). Tato práce byla publikována v době, kdy jsem promoval.
Krátce po nástupu na katedru mě Jaroslav Churáček poslal na stáž do Ústavu makromolekulární chemie Československé akademie věd v Praze na Petřinách k dr. Jiřímu Štambergovi, který spolu s Ing. Janem Kupcem připravil ionexové "kapilární kolony". Teorii kapilárních kolon v plynné fázi publikoval Golay již v padesátých letech a od druhé poloviny šedesátých let byly k dispozici otevřené skleněné kapilární kolony pro GC. Nic takového nebylo zatím v kapalinové chromatografii. Z dnešního pohledu Štambergovy a Kupcovy kolony nelze považovat za kolony skutečně kapilární, byly to polyetylenové trubičky s vnitřním průměrem 0,5 ‐ 1 mm, s cca 0,2 mm silnou vrstvou polystyren(ko)divinylbenzenového anexu, naroubovanou na vnitřních stěnách. Já jsem se měl pokusit využít je k chromatografické separaci, což z principiálních důvodů nemohlo být příliš úspěšné. Pokusy nakonec vyústily do krátkého sdělení o studii sorpce a desorpce chlorokomplexů železa a dalších kovů, které jsme separovali postupnou elucí vodnými roztoky s klesající koncentrací HCl (Coll. Czech. Chem. Commun., 35 (1970) 3112‐3118). První úspěšné separace technikou skutečně kapilární HPLC se objevily v USA a Japonsku až cca o dvacet let později a my jsme se v devadesátých letech k této oblasti také vrátili.
Přesto byla pro mne stáž na ÚMCH v listopadu 1967 a v březnu 1968 velmi užitečná. Poznal jsem nesmírně milé a vstřícné kolegy, kteří mladému zelenáči velmi ochotně vycházeli vstříc, zvláště Honza Kupec (nyní profesor na Baťově Univerzitě ve Zlíně), ale i další. Šéf oddělení, Ing. Jiří Štamberg, DrSc. (autor velmi instruktivní knížky o ionexech), mi později laskavě oponoval disertační práci. V laboratoři jsem se setkal i s doc. Arturem Stoyem a oddělením párkrát prošel i ředitel ústavu, prof. Wichterle. Na ÚMCH působili především odborníci na syntézu polymerů, z nichž mnozí vyvíjeli sorbenty potenciálně vhodné pro separace, především v oblasti gelové a iontově‐výměnné kapalinové chromatografie, z nich především Ing. Jiří Čoupek, který se svou skupinou vyvinul polymerní sorbenty, vyráběné pod názvem Spherony HEMA, s chemickou strukturou podobnou materiálu, z něhož prof. Wichterle připravil své slavné kontaktní čočky. O řadu let později Ing. Čoupek vyvíjel s Ing. Vozkou sorbenty pro HPLC na bázi silikagelu (Separony) a založil firmu Tessek jako joint venture s dánským a americkým podílem, která spolu s n. p. Laboratorní přístroje dodávala tyto kvalitní náplně v kolonách pro HPLC, jednak v kovových pláštích, a hlavně jako vyměnitelné skleněné "kartridže" v kovových držácích. Tyto kolony byly u nás léta dostupné v dobré kvalitě a na přijatelné cenové úrovni, což velice přispělo k rozšíření HPLC techniky v Československu. Ale to předbíhám události. Velkým zážitkem pro mne bylo, když jsem v jiné laboratoři uviděl první typ průtokového refraktometru od firmy Waters jako kontinuálního detektoru pro LC a dokonce jsem směl k němu připojit ionexovou trubičku a změřit záznam průchodu píku inertní látky.
Během mojí stáže v Praze "šla kolem i velká historie". Koncem roku 1967 došlo ke "strahovským událostem" ‐ studenti vyšli do ulic demonstrovat proti poměrům na kolejích, zvláště častým nepříjemným výpadkům elektrického proudu. Příslušníci SNB (tehdejší policie) studenty vytlačili na koleje a surově je tam zmlátili.
To vyvolalo bouři protestů na všech vysokých školách (včetně VŠCHT v Pardubicích) a uspíšilo změny v ústředním výboru KSČ a nástup Dubčeka a jeho skupiny do vedení. Tento polednový "obrodný proces" se veřejně projevil až v březnu, kdy jsem byl na druhé části své pražské stáže, nebývale otevřenými projevy řady "progresivních" komunistických politiků na různých veřejných vystoupeních, což v nás vzbudilo bohužel neoprávněné očekávání liberalizace a všeobecné změny poměrů. V srpnu nás před tímto vývojem přijely zachránit tanky a rázem bylo vše jinak, invaze úplně změnila životy všech.
V září 1968 mi doc. Churáček studijní pobyt prodloužil o další rok. Díky v té době ještě dožívajícímu přechodnému uvolnění politických poměrů, Katedra analytické chemie mohla v r. 1969 přijmout do zaměstnaneckého poměru dva nové asistenty, nynějšího prof. Ing. Karla Vytřase, DrSc. a mne. Bylo už "za pět minut dvanáct". V r. 1970 postupně začala "normalizace" poměrů, kdy se všechny instituce musely zbavovat "revizionistických", v období obrodného procesu "pomýlených", či jen politicky nedostatečně horlivých živlů. Já jsem s řadou jiných kolegů začátkem léta 1968 podepsal anketu tehdejších školních odborů na podporu prohlášení "2000 slov" za obrodný proces a liberalizaci poměrů. Nějaký ideologicky pevný soudruh anketu s podpisy ofotil a nespolehlivé živly na VŠCHT v průběhu normalizace oznámil. Při normalizačních prověrkách někteří svůj podpis pod anketou k 2000 slov zapřeli, jiným nebylo konkrétní provinění u prověrkových komisí sice prokázáno, ale vzhledem k celkové nespolehlivosti, pokud byli straníci, byli vyškrtnuti ze strany (lehčí trest než vyloučení) a nesměli učit. Jejich učebnice a skripta byly vyřazeny z učebních fondů, aby snad nevhodně podanou analytickou chemií nešířili ideologickou nákazu mezi studenty. Nejhůře dopadli ti členové KSČ, kteří se v r. 1968 politicky angažovali na nesprávné straně ‐ byli nejprve vyloučeni ze strany a posléze vyhozeni z práce. Např. kolega Pepík Královský "byl odejit" z VŠCHT do VÚOS v Rybitví, kde se dostal ke kapalinové chromatografii, což nás vedlo k dalším profesním kontaktům (po r. 1989 se na naši katedru vrátil). Jiní dopadli ještě hůře. Já a většina dalších "pomýlených" nestraníků jsme byli částečně vzati na milost, dokonce jsme i směli učit, ale se zaraženými vyhlídkami na budoucí postup. Směl jsem se tedy od neutěšené politické situace vrátit zpět do laboratoře k separacím.
Po nepříliš úspěšných pokusech s ionexovými trubičkami (jimž kolegové posměšně přezdívali "makaróny"), jsem řešil otázku, co dále. Knihovna pardubické VŠCHT byla už tehdy slušně zásobena zahraniční literaturou, včetně všech hlavních časopisů, v nichž vycházely zásadní články z oblasti tehdy se rodící techniky HPLC: Analytical Chemistry, Journal of Chromatography, Journal of Chromatographic Science, Chromatographia a Journal of High Resolution Column Chromatography (nyní Journal of Separation Science), v nichž se v té době objevovaly články zásadní pro pochopení teoretických principů vysokotlaké HPLC od Josefa Hubera, Csaby Horvátha, Johna Knoxe, Viktora Pretoriu, Raymonda Scotta a dalších. Vedle knih Olofa Samuelsona a Jánosze Inczédyho o ionexové chromatografii jsem narazil na zásadní dílo L. R. Snydera "Principles of adsorption chromatography", z něhož jsem potom řadu let čerpal poučení i inspiraci. Ionexy s relativně malými dobře tříděnými částicemi byly v té době lépe dostupné než jiné typy částic pro HPLC kolony, sám jsem si připravil několik šarží katexů sulfonací drobných částic styren‐divinylbenzenových kopolymerů, získaných z tehdejšího Výzkumného ústavu syntetických pryskyřic a laků (VÚSPL) v Pardubicích. Udělal jsem poměrně rozsáhlou rešerši možnosti separací různých typů látek, jejíž výsledky jsme publikovali s Jaroslavem ve dvou přehledných referátech v Chemických listech a později v sérii čtyř článků v Journal of Chromatography (dosti citovaných) (P. Jandera, J. Churáček, J. Chromatogr., 86 (1973) 351, 423, 98 (1974) 1, 55). Z rešerše vyplynulo, že na klasických ionexech lze úspěšně separovat i malé neiontové organické molekuly. Ze zpětného pohledu je dnes zřejmé, že se na ionexech s organickou matricí uplatňoval mechanismus separací v systémech s převrácenými fázemi, někdy i mechanismus dnes tak populárních separací HILIC.
V té době byl na VŠCHT v Pardubicích syntetizován chlorid kyseliny N,N‐dimethyl‐p‐aminobenzenazobenzoové jako činidlo pro přípravu barevných derivátů alkoholů, fenolů a aminů a kolegové na naší katedře se zabývali separacemi těchto derivátů chromatografií na papíře a na tenkých vrstvách. Zajímalo mě, zda by tyto deriváty nešlo dělit i na ionexových kolonách. Ve sklářských dílnách mi vyrobili skleněné kolonky dle návrhu O. Samuelsona, které jsem naplnil suspenzí silného katexu Dowex 50W‐X2. Do kolonky jsem nalil asi 1 ml etanolického roztoku směsi barevných esterů, nasadil dělicí nálevku s vodně‐ethanolickým roztokem kyseliny chlorovodíkové a po několika minutách jsem přes skleněné stěny kolonky s uspokojením pozoroval zřetelně oddělené barevné proužky jednotlivých derivátů (J. Churáček, P. Jandera, J. Chromatogr., 53 (1970) 69).
SEDMDESÁTÁ LÉTA
1. "HEROICKÁ DOBA" ‐ POKUSY O KONSTRUKCI "VLASTNÍHO" KAPALINOVÉHO CHROMATOGRAFU
Povzbuzen výsledky separací na skleněných ionexových kolonkách jsem se rozhodl převést sloupcovou chromatografickou metodu do sofistikovanější podoby. O prvních přístrojích pro kapalinovou chromatografii jsem četl v literatuře, ale takové zařízení tehdy nebylo možné pořídit jinak než vlastní konstrukcí. Postupně se podařilo tento úkol vyřešit s pomocí školních dílen a kolegy Ing. Václava Říhy, nadšeného konstruktéra všemožných "udělátek" pro laboratoře instrumentálních analytických metod.
K detekci barevných derivátů jsem měl k dispozici standardní východoněmecký spektrální kolorimetr Spekol, na němž jsem dosud měřil ručně odebírané frakce eluátu ze skleněných kolonek. Ten jsme adaptovali na detektor budoucího kapalinového chromatografu konstrukcí nástavce s průtokovou celou s malým vnitřním objemem. Standardní kyvetový prostor Spekolu jsme nahradili pouzdrem z duralu, které se z jedné strany nasadilo na krabici s optickým systémem kolorimetru, a na druhé straně se k němu připevnil fotonásobič. Do pouzdra zapadalo víčko, nesoucí průtočnou Z‐celu, vyvrtanou v teflonovém bločku, opatřenou na obou stranách sklíčky, umožňujícími průchod světelného paprsku a otvory pro připojení tenkých teflonových kapilár pro přívod a výstup eluátu. Celkový vnitřní objem cely byl cca 20 μl (P. Jandera, J. Churáček, AO 160771, 1975).
Dále bylo třeba připravit kolony, schopné přímého spojení s průtokovou celou Spekolu na jedné straně a na druhé straně přes zařízení pro dávkování vzorku s čerpadlem mobilní fáze. Jako základ kolony sloužila upravená skleněná byreta o objemu 2 ml. Její konce jsem odříznul, zabrousil do roviny a pomocí epoxidového lepidla fixoval v kovových bločcích, umožňujících připojit na výstup koncovku s průchozí teflonovou kapilárou ke spojení s průtokovou celou Spekolu a vstup upevnit do bločku pro dávkování vzorku (P. Jandera, J. Churáček, AO 1174952, 1978). (O řadu let později u nás začaly Tessek a Laboratorní přístroje průmyslově vyrábět skleněné kolony jako kartridže, upevněné v duralových, případně nerezových, držácích). "Byretová" kolona se našroubovala a utáhla v T‐bloku s teflonovým tělem, k němuž byla po straně přes závit připojena teflonová hadička pro přívod mobilní fáze, a nahoře byl otvor, do něhož se vkládalo silikonové septum, upevněné vešroubovanou maticí. K dávkování vzorku sloužila "hamiltonka", jako u plynových chromatografů. Vzhledem k vyšším pracovním tlakům bylo třeba při dávkování dobře přidržovat píst, aby nevystřelil do stropu laboratoře. Další nevýhodou tohoto primitivního způsobu dávkování byl nepříjemný sklon k prasknutí, který skleněné stříkačky vykazovaly v rukou méně zkušených pracovníků, hlavně studentů.
Přemluvil jsem Jaroslava Churáčka, abychom koupili pístové mikročerpadlo MC 300 od firmy Mikrotechna, která ho používala ve svých analyzátorech aminokyselin.
Celé zařízení jsme vystavovali na veletrhu INVEX v Brně (Obr. 3).
ČSHS: Obr. 3: Schéma přístroje pro kapalinovou chromatografii
Čerpání agresivních mobilních fází jsme vyřešili převodníkem ve formě válcového tělesa s víkem, v němž byl zataven polyetylenový sáček s výstupní teflonovou trubičkou, který jsem naplnil etanolickým roztokem zředěné HCl. Dno převodníku bylo opatřeno otvorem s přívodem tlačné kapaliny (vody) z mikročerpadla MC 300 do prostoru mezi sáčkem s mobilní fází a tělem pouzdra. Kapacita sáčku byla cca 200 mL. Po sešroubování a vyplnění prostoru pouzdra vodou se mohla čerpat mobilní fáze na kolonu při provozním tlaku až do cca 25 bar (P. Jandera, J. Churáček, AO 161380, 1975). Výhodou tohoto zařízení bylo, že automaticky kompenzovalo kolísání tlaku, způsobené střídáním výtlačné a sací periody mikročerpadla.
Později jsme od Mikrotechny koupili i mikročerpadlo PPM 68005 se dvěma bloky pro gradientovou eluci (Obr. 4). Zařízení se vyznačovalo zajímavým "softwarem". Požadovaný časový program změny složení mobilní fáze se nakreslil jako tlustá černá čára tuší na bílou čtvrtku papíru, která se napnula na otáčivý buben. Nad bubnem bylo umístěno reflexní čidlo se zdrojem světla a fotonkou pro sledování intenzity záření, odraženého ze čtvrtky, které bylo nastaveno na sledování rozhraní čáry, charakterizující program gradientu. Při pohybu bubnu mimo černobílé rozhraní předkresleného programu gradientu se změnila intenzita odraženého světla, na niž bylo čidlo nastaveno a generoval se proudový signál ve vyváženém můstkovém elektrickém obvodu. Signál vyvolal pohyb malého servomotoru, který kontinuálně přestavoval čidlo na měnící se polohu černobílého rozhraní tak, aby byla obnovena proudová rovnováha na elektrickém můstku. Pohyb čidla nad bubnem se přenesl na změnu polohy obou bloků, čerpajících složky mobilní fáze, jejichž poměr dodávaný jednotlivými bloky se takto měnil podle předkresleného programu při zachování celkového objemového průtoku mobilní fáze, dodávané na kolonu. Celkovou rychlost pohybu obou bloků, a tím i průtok mobilní fáze bylo možno nastavit ručně pomocí převodů ozubených koleček, podobně jako rychlost otáčení bubnu s gradientovým programem, která určovala celkovou dobu trvání gradientu. Tento komplikovaný systém zadávání gradientového programu, v dnešní době elektronického řízení kapalinových chromatografů datovou stanicí těžko představitelný, ale umožňoval zadat jakýkoli program gradientu složení mobilní fáze, vedle lineárního i kontinuální zakřivený, případně i složený z libovolného počtu lineárních či nelineárních segmentů.
ČSHS: Obr. 4: Pohled na kapalinový chromatograf s fotometrickým detektorem, byretovou skleněnou kolonou, isokratickým a gradientovým mikročerpadlem a převodníkem pro čerpání agresivních mobilních fází
Pro zvýšení účinnosti separací jsme zkonstruovali plničku, kde bylo možno dosáhnout rovnoměrného plnění skleněných kolon kontinuálně promíchávanou suspenzí nabotnalých ionexů (Obr. 5).
ČSHS: Obr. 5: Pohled na plničku skleněných byretových kolon
Konstrukce tohoto zařízení, koncem šedesátých let zřejmě jednoho z prvních kapalinových chromatografů v Československu, zabrala téměř dva roky, ale používal jsem jej potom dalších 5 let k separacím barevných derivátů aminů, fenolů a alkoholů na kolonách plněných silnými katexy s okyselenými vodně‐etanolickými mobilními fázemi, později i k separacím těchto látek na tříděném silikagelu v čistě organických mobilních fázích.
ČSHS: Obr. 6: Separace barevných esterů kyseliny N,N‐dimethyl‐p-aminobenzenazobenzoové na koloně plněné katexem Dowex 50WX‐2 (A) a na koloně silikagelu (B). Přetištěno z časopisu Journal of Chromatography
Obr. 6 ukazuje chromatografický záznam separace barevných derivátů na skleněné "byretové" koloně plněné katexem (6A) a na koloně plněné silikagelem s mobilní fází octan ethylnatý ‐ hexan (6B). Na obou kolonách se deriváty eluují v pořadí klesajících délek alkylových řetězců, tedy v obráceném pořadí než v dnes bežných systémech s převrácenými fázemi. Je to tím, že separace na Obr. 6B se řídí mechanismem klasické (adsorpční) chromatografie v systému s normálními fázemi, zatím co separaci neiontových látek na katexu na Obr. 6A lze považovat za jednu z raných aplikací HILIC chromatografie (Hydrophilic Interaction Liquid Chromatography), 15 let před tím, než Andrew Alpert zavedl tento akronym.
O přístroji pro LC separace jsem přednesl referáty doma i na mezinárodních konferencích 8th International Gel Permeation and Liquid Chromatography Seminar v Praze v červenci 1970 a 3rd Analytical Conference v Budapešti v srpnu 1970 a v témže roce jsme uveřejnili článek v časopisu Journal of Chromatography (J. Churáček, P. Jandera, J. Chromatogr., 53 (1970) 69). Za tyto práce se nám v r. 1972 dostalo ocenění v rámci státního plánu vědeckého výzkumu.
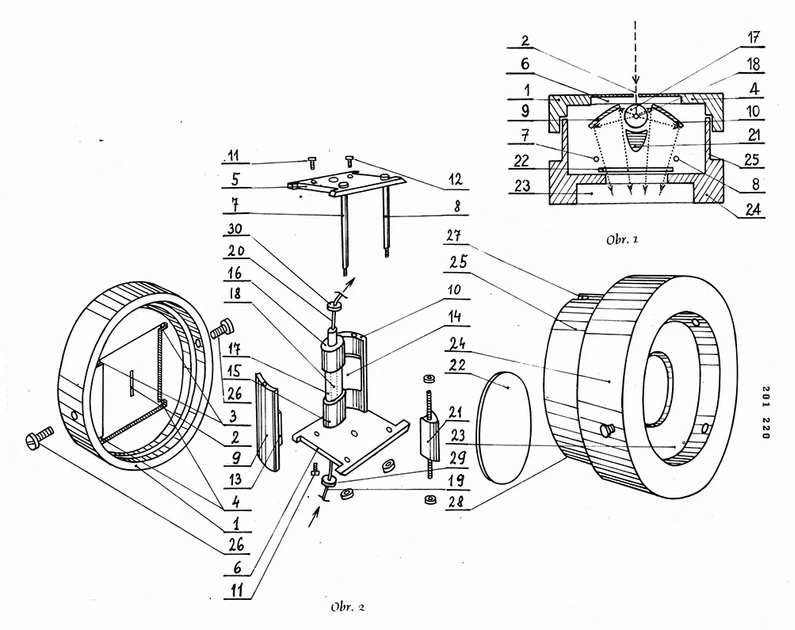
Na Katedře organické chemie VŠCHT Pardubice připravili začátkem sedmdesátých let 1,2‐naftoylenbenzimidazol‐6‐sulfochlorid jako derivatizační činidlo pro přípravu fluoreskujících derivátů alifatických aminů a aminokyselin, které se osvědčilo pro citlivou detekci při chromatografii na tenkých vrstvách. Chtěli jsme vyzkoušet možnosti separace těchto látek technikou HPLC. Navrhli jsme konstrukci průtočného fluorimetrického detektoru pro HPLC. Detektor vycházel z konstrukce přístroje s fotometrickou detekcí, kde byl spektrální kolorimetr Spekol nahrazen rtuťovou výbojkou s hranovým filtrem, vymezujícím vlnovou délku rtuťové čáry budícího záření. Místo obvyklé konstrukce fluorimetru s fotonásobičem umístěným pod úhlem 90° vůči průtokové cele, kterou tvořila křemenná kapilára se vstupem a výstupem v přímé ose, jsme z důvodů jednodušší konstrukce zvolili přímé uspořádání, kde byl paprsek po průchodu celou zacloněn černou maskou a po odrazu dutými zrcadly zaostřen na vstupní štěrbinu fotonásobiče (Obr. 7) (P. Jandera, V. Říha, J. Churáček, AO 201220, 1983). Fluorimetrický detektor jsme patentovali a využívali jsme jej k separaci alifatických aminů po předkolonové derivatizaci v prostředí vodného acetonitrilu s přídavkem K2CO3 (P. Jandera, H. Pechová, J. Královský, D. Tocksteinová, J. Churáček, Chromatographia, 16 (1982) 275).
ČSHS: Obr. 7: Schéma konstrukce průtokové cely a optického systému fluorimetrického detektoru
V. r. 1972 se Jaroslavu Churáčkovi podařilo prosadit nákup komerčního kapalinového chromatografu ALC 100 firmy Waters (zřejmě k tomu přispělo i pozitivní hodnocení výzkumného projektu v rámci státního úkolu). Jak ukazuje Obr. 8, jednalo se o impozantní přístroj, který byl původně určen pro gelovou chromatografii na dlouhých kolonách 60‐100 cm a byl opatřen pístovým jednočinným čerpadlem Milton‐Roy s hydraulickým částečným tlumením pulsů (Obr. 8 vpravo dole).
ČSHS: Obr. 8: Pohled na kapalinový chromatograf ALC 100 (Waters)
Přístroj pracoval s tlakovým omezením 80 bar. Naštěstí se v rámci této investice podařilo prosadit i nákup tehdy velmi moderního čerpadla M 6000, pracujícího až do tlaků 400 bar (Obr. 8 vlevo dole), jako doplňkového dílu, později i citlivého UV filtrového detektoru M 440 a vysokotlakého dávkovače U6K s volitelným objemem vzorků.
Od firmy Waters jsme zakoupili několik lahviček plně pórovitého silikagelu (Porasil) a také povrchově pórovitého silikagelu Corasil (dle původního patentu J. Kirklanda, ke kterému se chromatografická praxe po 35 letech vrátila v provedení s mnohem menšími částicemi o průměru 2,6 μm), oba sorbenty s rozmezím částic 35‐75 μm. Náplně jsme do kolon sypali po malých porcích za současného poklepávání kolonou o podložku a občasné pomoci vibrátoru, aby si náplň v koloně dobře "sedla". I tak byla chromatografická účinnost na dnešní poměry velmi nízká, u kolonydlouhé 90 cm jsme při průtoku mobilní fáze 0,5 ml/min dosahovali nejvýše cca 500 ‐ 1000 teoretických pater, účinnost při vyšším průtoku rychle klesala. Přesto se nám podařilo dosáhnout někdy i docela rychlých separací (Obr. 9).
ČSHS: Obr. 9: Separace izomerních o‐ (1), m‐ (2) a p‐ (3) nitrofenolů na koloně silikagelu Corasil II, 37‐75 μm, mobilní fáze: 3 % propanolu v heptanu, 0,94 ml/min
Z různých dílů zařízení od firmy Waters jsme sestavili modulární kapalinový chromatograf, který jsme provozovali ve spojení s účinnějšími kolonami až do druhé poloviny osmdesátých let, bez jediné návštěvy servisního technika. Veškeré výměny těsnění, ventilů a jednou i přelomeného safírového pístu čerpadla jsme si zajišťovali sami, drobné náhradní díly jsme s dostatečným předstihem několika měsíců objednávali prostřednictvím Služby výzkumu. Modulární modul kapalinového chromatografu firmy Waters byl ve světě velmi úspěšný, dokonce se dostal až na skotskou dvacetilibrovou bankovku.
ČSHS: Obr. 10: Skotská dvacetilibrová bankovka s kapalinovým chromatografem
V r. 1973 jsem podal k obhajobě kandidátskou disertaci, zahrnující práci na konstrukci vlastního kapalinového chromatografu a výsledky na něm dosažené. Obhajobu kandidátské práce tehdy musely nejprve povolit stranické orgány KSČ na VŠCHT a okresní výbor strany. Vzhledem k výše uvedenému "hříchu" z r. 1968 ležela moje disertace čtyři roky "u ledu" a povolení k obhajobě jsem dostal až v r. 1977.
SEDMDESÁTÁ LÉTA
2. POPIS VLIVU MOBILNÍ FÁZE NA RETENCI V SYSTÉMECH S NORMÁLNÍMI A PŘEVRÁCENÝMI FÁZEMI, ODVOZENÍ "OBECNÉ" TEORIE GRADIENTOVÉ ELUCE A JEJÍ OVĚŘENÍ
S prvními výsledky na skleněných "byretových kolonách" jsem nebyl příliš spokojen vzhledem k nízké účinnosti (s tím jsem vzhledem k materiálu, který jsem měl k dispozici, nemohl mnoho dělat) a vzhledem k dlouhým dobám separace. Dočetl jsem se, že dobu separace lze často zkrátit při použití gradientové eluce. Chtěl jsem tuto techniku vyzkoušet v praxi, s využitím gradientového mikročerpadla PPM 68005. Jeho nevýhodou však bylo omezení na nízké pracovní tlaky. Našli jsme však řešení: Výstup ze směšovací komůrky gradientového čerpadla jsme nakrátko připojili kevstupnímu ventilu vysokotlaké pumpy Waters M6000 s průtokem nastaveným o cca 10 % výše, než byl pracovní průtok na M6000 ‐ přebytek mobilní fáze odcházel do odpadu (Obr. 11).
ČSHS: Obr. 11: Schéma zařízení pro gradientovou eluci se směšováním složek na vstupu vysokotlakého čerpadla
Toto konstrukční řešení, které jsme patentovali (P. Jandera, J. Churáček, AO 206427, 1984), přineslo velmi pozitivní efekt: Směšování rozpouštědel při tvorbě gradientu, např. metanolu nebo acetonitrilu s vodou, je spojeno se změnami parciálního molárního objemu smíšené mobilní fáze, který je nižší, než je součet objemů jednotlivých rozpouštědel před smíšením. Protože moderní vysokotlaká čerpadla dodávají časově stálý průtok mobilní fáze, může docházet v důsledku objemových kontrakcí k určitým odchylkám skutečného profilu gradientu od nastaveného. Pokud vysokotlaké čerpadlo má k dispozici přebytek smíšené mobilní fáze, poskytuje stále stejný průtok a mění se jen objem přebytečné mobilní fáze odváděné mimo vysokotlaké čerpadlo. Podobné řešení se zapojením přesných podávacích čerpadel před vstupem do vysokotlaké pumpy využily v polovině osmdesátých let ve svých vysoce přesných gradientových chromatografech firmy Hewlett‐Packard (Model 1090) a Tracor (Model 985). Na druhé straně se ukázalo, že možnost práce v režimu konstantního tlaku místo konstantního průtoku, propagovaná v posledních letech některými autory a podporovaná i některými firmami, nepřinesla očekávanou významnou úsporu doby analýzy a zvýšení počtu rozlišených látek.
ČSHS: Obr. 12: Autor v laboratoři u gradientového kapalinového chromatografu
Měli jsme tedy čerpadlo, schopné reprodukovat jakýkoli typ gradientu (Obr. 12). Začátkem padesátých let popsali Drake a Freiling princip výpočtu gradientové eluce, který byl od té doby aplikován na několik málo specifických případů gradientových separací. Tento postup jsem chtěl zobecnit pro předpověď retence v co nejširší oblasti aplikací gradientové eluce. Na rozdíl od dříve publikovaných výpočtů, které se snažily popsat časovou změnu distribuční konstanty v konkrétním chromatografickém systému, jsem řešení založil na kombinaci dvou částečných rovnic, které je možno libovolně kombinovat. První rovnice popisuje závislost změny objemové koncentrace (c) účinné eluční složky B na čase, tj. "gradientovou funkcí", kterou lze popsat 2 ‐ 3 parametry: počáteční koncentrací (A), strmostí změny gradientu (B), případně parametrem jeho zakřivení (κ), které plně závisí na volbě operátora. Druhá rovnice popisuje vliv chromatografického systému, tj. stacionární fáze a složek mobilní fáze na chování vzorku, tedy na termodynamických vlastnostech separačního systému, které nezávisí na operátorovi. Libovolnou kombinaci obou dílčích rovnic lze dosadit do jednoduché diferenciální rovnice, popisující přírůstek čistého elučního objemu vzorku (V'R(g)) při postupu kolonou jako odezvu na změnu složení mobilní fáze a odpovídající snížení retenčního faktoru k (distribuční konstanty) při postupu vzorku kolonou. Při řešení lze předpokládat, že šířka píku (w(g)) při gradientových podmínkách závisí především na aktuálním složení mobilní fáze v okamžiku eluce.
V r. 1974 jsme publikovali základní výpočetní řešení pro tento postup v časopisu Journal of Chromatography (P. Jandera, J. Churáček, J. Chromatogr., 91 (1974) 207, 91 (1974) 223, 93 (1974) 17, 104 (1975) 9), kde jsme uvažovali nejjednodušší dvouparametrové závislosti retence (k) na molárním či objemovém zlomku eluční složky B mobilní fáze (c), jednak v adsorpčních systémech s normálními fázemi, jednak v systémech s nelokalizovanou sorpcí, tedy především v systémech s převrácenými fázemi. I když toto vymezení není zcela přesné, dodnes se často používá. Obr. 13 ukazuje základní výsledky řešení. O nové gradientové teorii jsem poprvé přednášel na národní konferenci o pokrocích chromatografie v průmyslu v Bratislavě.
ČSHS: Obr. 13: Z naší první publikace o gradientové eluci v Journal of Chromatography
Velmi podobný postup řešení pro systémy s nelokalizovanou sorpcí použil Lloyd Snyder v široce používaném modelu LSS gradientů, publikovaném na přelomu sedmdesátých a osmdesátých let (L. R. Snyder, J. W. Dolan, High‐Performance Gradient Elution, Wiley, 2007). Experimentálně jsem základní teorii gradientové eluce ověřil s použitím barevných azo‐derivátů alkoholů a fenolů jako testovacích látek ještě na původním chromatografu vlastní konstrukce se skleněnými "byretovými" kolonami. Teoretický popis gradientové chromatografie jsme dále rozváděli a ověřovali v různých systémech, pro předpovědi retence při aplikaci zakřivených gradientů, segmentových gradientů s navazujícími lineárními i nelineárními úseky, výpočty jsme upravili, aby bylo možno kompenzovat vliv počáteční experimentální prodlevy gradientu na posuny elučních časů, a upravili jsme jej i pro popis a predikci retence při třísložkových gradientech. Tyto studie vyústily do série 11 článků v časopisu Journal of Chromatography a v osmdesátých letech v dalších publikacích, věnovaných především optimalizaci gradientových podmínek, v přehledném referátu v Advances in Chromatography, 19 (1981) 125, a především ve dvou knihách shrnujících tehdejší poznatky o vysokoúčinné gradientové kapalinové chromatografii: 1. P. Jandera, J. Churáček: Kapalinová chromatografie s programovaným složením mobilní fáze v nakladatelství Academia, Praha 1984, a 2. P. Jandera, J. Churáček: Gradient Elution in Column Liquid Chromatography, v nakladatelství Elsevier, Amsterdam 1985.
Ve studiích možnosti předpovědi retenčního chování a optimalizace při gradientové eluci jsme pokračovali i později. V osmdesátých letech jsme vypracovali teorii třísložkové gradientové eluce se dvěma silnými eluenty (acetonitril, metanol) a navrhli metodu optimalizace rozdělení složitých směsí nastavením rozdílné selektivity separace v různých fázích gradientu pomocí programované změny poměru koncentrací těchto rozpouštědel (P. Jandera, J. Churáček, H. Colin,. J. Chromatogr., 214 (1981) 35; P. Jandera, J. Chromatogr., 485 (1989) 113).
SEDMDESÁTÁ LÉTA
3. KOLONY PRO HPLC ‐ "THE STRANGE HOLLOW STICKS WITH MUD INSIDE"
Ve druhé polovině sedmdesátých let bylo zřejmé, že dlouhé kolony plněné hrubými částicemi je třeba nahradit kolonami, plněnými tříděnými sorbenty s částicemi o průměru 10 μm a menším. V té době jsem dostal tříměsíční stipendium nadace DAAD (Deutsche Akademische Austauschdienst) a mohl jsem absolvovat tříměsíční stáž na univerzitě v Saarbrückenu u prof. Istvána Halásze, jedné z největších chromatografických osobností té doby, zejména v oblasti přípravy kolon s chemicky vázanými stacionárními fázemi. Prof. Halász pocházel z Maďarska, odkud po potlačení protikomunistického povstání emigroval do západního Německa, kde se stal přednostou oddělení Angewandte Physikalische Chemie na Universität des Saarlandes. Na podzim 1977 tam pobýval taky kolega Vladimír Řehák, aspirant profesorky Evy Smolkové z Prahy, který se tam zabýval syntézou a testováním chemicky vázaných fází s rozvětvenými alkyly (říkal jim "stromečkové fáze"). Vláďa mi pobyt v Německu hodně usnadnil.
Na vstupním pohovoru mi prof. Halász dal několik instrukcí:
Nehodnotit politiku, on ji též nehodnotí, a neříká, jestli je lepší komunismus nebo kapitalismus.
Zakázal mi sebevraždu.
Nedoporučil bližší styky s iránskými studenty, kteří tehdy bouřlivě demonstrovali proti perskému šáhovi, ani s radikálními německými levicovými či pravicovými studenty.
Prof. Halász se mnou v průběhu stáže občas diskutoval o odborných problémech, ale svěřil mne hlavně do péče (tehdy) mladého profesora Heinze Engelhardta. Experimentální záležitosti jsem probíral především s mladšími pracovníky, především s Helmuthem Elgassem, který dokončoval doktorát a potom odešel pracovat do Waldbronnu k firmě Hewlett‐Packard. Později jsme se občas setkávali na konferencích. Prof. Halász pravidelně pečoval i o zvyšování úrovně odborných znalostí svých doktorandů a stážistů v rámci pravidelných ‐ nepříliš oblíbených ‐ diskusí (spíše školení), každý pátek od čtyř do šesti odpoledne, kdy bychom podle jeho názoru už stejně v laboratoři žádnou kloudnou práci neudělali.
V Saarbrückenu jsem se naučil chemicky modifikovat silikagel, plnit účinné kolony pro HPLC a ještě jsem na zpáteční cestu dostal několik bezešvých nerezových trubek a nějaká šroubení použitelné jako části koncovek kolon, až si je sám v Pardubicích naplním. Každý volný víkend jsem věnoval turistice kouzelnou sárskou přírodou, která mne velmi příjemně překvapila ‐ ani stopy po krajině zničené těžkým průmyslem, kterou jsem očekával.
Po návratu jsem s pomocí školních dílen z dovezených dílů sestavil prázdné kovové kolony. Ty bylo třeba naplnit účinnými sorbenty s částicemi 10 nebo 5 μm (tehdejší standardy). Aby nedošlo ke shlukování částeček náplně a ztrátě účinnosti, nebylo možno plnit kolony za sucha, ale stabilní odvzdušněnou suspenzí sorbentu ve viskózní a husté kapalině (směs propanolu a cyklohexanolu), která se do prázdné trubice velmi rychle "nastřelila" pod vysokým tlakem (600 ‐ 650 bar). Muselo se zabránit volné sedimentaci částic náplně po celou dobu plnění kolony. V Saarbrűckenu se k tomuto účelu používala speciální pumpa Haskell s hydraulickým převodem, která umožňovala dosáhnout plnicího tlaku ve zlomku sekundy. Takovou pumpu jsme si nemohli dovolit koupit. S tímto problémem mi naštěstí pomohl kolega Ing. Zbyněk Plzák z ústavu AV v Řeži u Prahy, jeden z průkopníků HPLC v Čechách, který absolvoval stáž v Saarbrückenu o rok nebo dva dříve než já. Zbyněk po návratu zkonstruoval plničku tak, že spojil "natvrdo" elektromotor jako pohon vstřikovacího čerpadla, které místo nafty dávkovalo pod vysokým tlakem plnicí kapalinu. Zbyněk mi ochotně prozradil detaily konstrukce a dokonce i věnoval funkční vyřazený elektromotor.
Naftové čerpadlo do traktoru ZETOR, koupené v Mototechně za cca 1200,‐ Kčs, jsme propojili se zásobníkem tlačné kapaliny (hexan) a na výstupu s širší nerezovou bezešvou trubicí (získanou od ZVÚ Hradec Králové), na jejíž dno byla připojena prázdná kolona, předem naplněná tlačnou kapalinou. Do trubice se vrchem nalila suspenze částic náplně, která se převrstvila tlačnou kapalinou, trubice se rychle uzavřela našroubováním a po utažení matice uzávěru se okamžitě zapnul elektromotor. Do jedné minuty se dosáhlo pracovního maxima tlaku, což indikovalo úplné naplnění. Kolona se nechala dalších 5 minut promývat při plném tlaku, který se poté regulačním ventilem postupně snižoval. Po počátečním tápání jsme techniku plnění zvládli tak, že ze tří naplněných kolon byly dvě účinností srovnatelné s komerčními kolonami fy Merck, což byl celkem úspěch, i vzhledem k tvrzení prof. Halásze, dle nějž bylo plnění kolon z jedné třetiny věda, z jedné třetiny umění a zbývající třetina byla černá magie. Této techniky jsme používali až do devadesátých let k plnění kolon částicemi o průměru 5 ‐ 10 μm, zejména materiály na bázi modifikovaného silikagelu typu Silasorb, které jsme testovali pro Lachemu Brno.
Plnění kolon nesli někteří kolegové se značnou nelibostí, protože bylo doprovázeno stejnými zvukovými efekty, jako když zemědělci vyrazí do polí, ale v omezeném prostoru staré budovy VŠCHT na Náměstí Legií. Naše laboratoř kapalinové chromatografie si vysloužila pohrdlivé přízvisko "oddělení traktorové chemie".
OSMDESÁTÁ LÉTA
1. STÁŽ V PALAISEAU, MODEL INDEXŮ INTERAKCE
V r. 1980 se na mne usmálo štěstí ‐ dostal jsem stipendium nadace SEA na šestiměsíční pobyt ve Francii v laboratoři profesora George Guiochona. Scientific Exchange Agreement (SEA) byla nadace založená a financovaná panem Bobem Hamiltonem, výrobcem (nejen) dávkovacích injekčních stříkaček pro chromatografii, "hamiltonek", která podporovala odborné kontakty mezi chromatografisty ze západních a tehdejších komunistických zemí. Díky velkorysosti pana Hamiltona mohla řada mladších odborníků z oblasti separačních věd z Československa a z dalších zemí východního bloku absolvovat stáže na předních pracovištích v západním světě. O výběru stážistů rozhodoval mezinárodní výbor, jehož členy byli prof. Josef Huber z Rakouska a prof. Georges Guiochon z Francie. Zástupci Československa byli prof. Janák z Brna a prof. Garaj z Bratislavy. Tentokrát se kupodivu nevyskytly vážnější překážky a po absolvování kolečka pohovorů na ministerstvu školství, s panem francouzským konzulem a panem kulturním atašé jsem dostal potřebnou výjezdní doložku a francouzské vstupní vízum (o pobytové vízum jsem musel po příjezdu žádat na prefektuře v Paříži a dostal jsem ho až po pěti měsících, těsně před odjezdem).
V polovině března 1980 jsem dorazil na École Polytechnique v Palaiseau, asi 20 km od Paříže, na trase příměstského metra RER. Ubytoval jsem se v Cité Universitaire na jižním okraji Paříže, blízko stanice metra, takže dojíždění bylo velmi jednoduché. École Polytechnique byla škola elitní, založená už císařem Napoleonem pro výchovu špiček francouzské armády a administrativy. Byly tam i výzkumné laboratoře řady technických oborů. Jak jsem se na místě dozvěděl, s ohledem na vojenský charakter školy jsem měl štěstí, že jsem francouzským vízovým řízením proklouzl ještě na podzim roku 1979, před vpádem sovětských vojsk do Afghanistánu, který silně ochladil vztahy mezi západem a východem. Dostal jsem i propustku do objektu, kterou jsem se měl prokazovat na hlavní bráně. Nikdy jsem ji nepoužil, od zastávky metra jsem chodil na náhorní plošinu k Polytechnice strmou pěšinkou do kopce, na jejímž konci byla stále otevřená nehlídaná branka.
Na šest měsíců ve Francii dodnes velmi rád vzpomínám. Mým úkolem bylo plnění mikrokolon (s průměrem 0,5 ‐ 1 mm) náplní na bázi silikagelu částicemi o velikosti 3 a 5 μm, určenými pro spojení HPLC/MS. K tomuto účelu jsem měl k disposici pumpu Haskell, pracující do tlaku 300 MPa, ke které jsem připojoval 1 m dlouhé nerezové trubice se stěnami silnými 0,2 mm, z bezpečnostních důvodů uvnitř ochranné kovové klece. Přesvědčil jsem se, že tyto trubice podélně praskají po dosažení tlaku 185 MPa, za doprovodu výrazných detonací. Navštívil jsem i firmu NERMAG na předměstí Paříže v Roueil‐Malmaison, kde jsem poprvé viděl pracovat přístroj pro LC‐MS, tenkrát ještě koncipovaný pro elektronovou ionizaci.
Ve zbývajícím čase jsem proměřoval retenční časy velmi pestré místní sbírky standardů na kolonách C8 a C18, a na základě změřených dat jsem se spolu s dr. Henri Colinem pokoušel o sestavení kalibrační řady standardů pro charakterizaci a predikci retence v LC systémech s převrácenými fázemi, na základě nového modelu "indexů interakce" (P. Jandera, H. Colin, G. Guiochon, Anal. Chem., 54 (1982) 435). Kromě prof. Guiochona jsem se v Palaiseau seznámil s řadou dalších kolegů, skvělých odborníků a milých přátel, s nimiž jsem se později setkával na konferencích a s některými si dopisoval. Vedle Henri Colina, s nímž jsem úzce spolupracoval, jsem se nejvíce sblížil s Michelem Martinem a Alainem Tchaplou. O víkendech jsem se věnoval poznávání skvostů francouzské kultury, umění a architektury.
OSMDESÁTÁ LÉTA
2. TESTY KOLON, CHARAKTERIZACE SELEKTIVITY, OPTIMALIZACE SEPARACE A VÝVOJ APLIKACÍ V HPLC
V r. 1984 vyšla v sérii Knižnice technických aktualit Státního Nakladatelství Technické Literatury, Praha, první česká monografie o HPLC, J. Churáček ‐ P. Jandera, "Úvod do vysokoúčinné kapalinové kolonové chromatografie". Po návratu do Pardubic jsem aplikoval model indexů interakce rozpracovaný ve Francii ke kalibraci nespecifické (lipofilní) a specifické polární selektivity v systémech s převrácenými fázemi, pomocí nově navržených lipofilních a polárních indexů (P. Jandera, J. Chromatogr., 352 (1986) 91, 111). Model jsem využil i k vypracování postupu pro popis, předpověď a optimalizaci retence v homologických a oligomerních řadách, v závislosti na počtu monomerních jednotek a složení mobilní fáze jak pro separace v systémech s převrácenými, tak i s normálními fázemi (P. Jandera, J. Chromatogr., 314 (1984) 13; 449 (1988) 361). Tyto práce jsem později shrnul ve dvou kapitolách v knize "Retention and selectivity in liquid chromatography" (R. M. Smith, editor), která vyšla v nakladatelství Elsevier v r. 1995.
Jaroslav Churáček mě pobízel, abych na téma teorie gradientové eluce podal habilitační práci. Spisování jsem věnoval řadu večerů v Paříži a po návratu z Francie jsem na podzim 1980 ‐ bez velkých iluzí ‐ podal práci k obhajobě. Po několika letech mi byla vedením VŠCHT vrácena zpět s odůvodněním, že "na základě nového vysokoškolského zákona již napříště nebudou podobné spisy při habilitačním řízení vyžadovány". Habilitační práci jsem přesto využil, ale až za deset let po pádu komunismu.
Publikace o gradientové eluci vzbudily jistou pozornost a od r. 1981 jsem každoročně dostával pozvání k přednesení přednášky na mezinárodních symposiích o chromatografii, kde bylo vložné i ubytování hrazeny pořadateli nebo nadací SEA. I přes minimální náklady z čs. zdrojů však bylo velmi obtížné získat povolení k výjezdu na konference na západě. Většinou byly mé žádosti zamítány přímo na VŠCHT. Přesto jsem však někdy dostal povolení (možná na základě instrukcí, které odrážely momentální úroveň vztahů naší republiky ke kapitalistické cizině). Tak jsem mohl jet na mezinárodní konference o chromatografii (ISC) v Londýně v r. 1982 a v Norimberku v r. 1984.
Pro ilustraci tehdejší situace mohu uvést historku, spojenou s pozváním na mezinárodní symposium o HPLC v Edinburku v červenci 1985, kam mne pozval prof. John Knox. Zřejmě v důsledku toho, že byla čerstvě publikována naše kniha o gradientové eluci, se mi dostalo té cti, že jsem byl uveden jako jediný přednášející ze zemí na východ od Šumavy v seznamu vybraných účastníků na nadcházejícím symposiu, publikovaném v tenkrát dosti široce mezinárodně distribuovaném bulletinu britské Chromatographic Society. Když mi žádost o povolení cesty vedení VŠCHT zamítlo, šel jsem se optat Jaroslava Churáčka, vedoucího Katedry analytické chemie, jak mám organizátorům svoji neúčast zdůvodnit. Jaroslav mne okamžitě odvedl k audienci u tehdejšího prorektora pro vědu a zahraniční styky, který byl současně také kandidátem Ústředního výboru KSČ a tam mu můj dotaz přednesl. Tehdy jsem uviděl, jak se tváří člověk, který právě spolknul žábu. Soudruh prorektor nás mlčky propustil, ale druhého dne mi z rektorátu oznámili, že cestu mám povolenou.
Protože ‐ ač to dnes zní neuvěřitelně ‐ tehdy bylo cestování vlakem asi desetkrát levnější než letadlem, vyrazil jsem na dvoudenní cestu do Skotska po železnici přes kanál La Manche a půl Evropy, vybaven deseti dolary na útratu. Byl jsem na tom ale lépe než kolega Miloš Krejčí z Akademie věd v Brně, který také dostal deset dolarů, ale jen jako vratnou zálohu. Cesta vlakem údolím Rýna a přes Anglii byla nezapomenutelným zážitkem, stejně jako samo město Edinburk uprostřed kopců, kde začátkem července zapadalo slunce o půl dvanácté v noci. Symposium mělo vynikající úroveň jak po odborné, tak i po společenské stránce. Slyšel jsem tam první přednášku prof. Jorgensona o kapilární elektroforéze a přednášku prof. Knoxe o jeho novém účinném a chemicky i tepelně odolném materiálu Hypercarb na bázi čistého uhlíku, určeném jako náplň kolon pro HPLC. Navštívil jsem i laboratoř prof. Knoxe, kde se spolupracovníky Hypercarb připravovali polymerací v pórech silikagelu, následným rozpuštěním silikagelové matrice v kyselině fluorovodíkové, karbonizací polymerního otisku silikagelu a následující hydrotermální úpravou.
Po návratu mi bylo dáno na vědomí, že na další výjezdy na konference mám zapomenout. Ale po nástupu Gorbačova do čela SSSR se situace trochu uvolnila, i na VŠCHT se obměnilo vedení. V r. 1988 jsem dostal pozvání k přednášce na mezinárodní symposium o chromatografii (ISC) ve Vídni, kde jsem měl dostat cenu Cvětovy nadace (nezaměňovat s mnohem prestižnější Cvětovou medailí) a skutečně jsem do Vídně směl jet. Na jaře 1989 už chování vedení VŠCHT naznačovalo, že asi jsou nějaké změny ve vzduchu, protože mi povolili obhajobu "velkého doktorátu" (DrSc.), která proběhla v červnu na pražské VŠCHT. V listopadu pak čas oponou trhnul a uzavřela se jedna nešťastná etapa historie.
Musím se ještě o pár let vrátit k jedné radostné události, významné pro další vývoj HPLC na naší katedře. Byl nám schválen nákup nového kapalinového chromatografu. Vyhlédl jsem si špičkový přístroj HP 1090 od firmy Hewlett Packard. K nákupu bylo třeba získat řadu povolení, obíhal jsem podnik zahraničního obchodu KOVO, ministerstvo školství, ministerstvo průmyslu, energetický úřad a ještě nějaké další instituce. Specifikace nákupu jsem projednával na obchodním zastoupení firmy v Praze s dr. Hans Peter Schiefferem, se kterým jsem se časem spřátelil a dodnes se s ním rád setkávám. Ten mne upozornil na významnou novinku ‐ dosud byl přístroj ovládán minipočítačem HP 85, firma však zaváděla nový model 1090 M, řízený skutečným stolním počítačem. Bylo to ještě před érou Windows, počítač fungoval pod softwarem v jazyku Pascal, v přísně hierarchickém systému a byl řízen velmi rychlým procesorem Motorola. Proto ‐ i když celková kapacita disku byla dnes směšných 20 MB ‐ podléhal vývoz tohoto počítače do komunistických zemí embargu a museli jsme žádat o výjimku přímo americké ministerstvo obrany ve Washingtonu. Ale vše nakonec dobře dopadlo, Pentagon nám výjimku udělil s podmínkou, že se kdykoli může pověřený důstojník NATO u nás na místě přesvědčit, že počítač používáme k chromatografii a ne např. k řízení balistických raket (žádný kontrolor se u nás nikdy neobjevil).
V polovině r. 1986 k nám do laboratoře tento "Mercedes mezi kapalinovými chromatografy" skutečně dorazil. Přístroj byl vybaven UV detektorem s fotodiodovým polem a umožňoval snímání UV spekter v průběhu chromatografické separace. To byla v té době u nás naprostá novinka a vzpomínám si, jak jsem fascinovaně zíral na první vlastnoručně změřený třírozměrný spektrochromatogram. Na druhé straně dvě půlhodinové analýzy se záznamy spekter v celém spektrálním a časovém rozsahu stačily spolehlivě zaplnit celou dostupnou kapacitu počítače. Po několika letech jsme s laskavým přispěním dr. Helmutha Elgasse z Waldbronnu, s nímž jsem se seznámil v průběhu stáže u prof. Halásze, získali operační program pod systémem Windows, který nám umožnil převod řídící a datové stanice na normální PC s diskovou kapacitou desítek GB. Hlavními přednostmi HP 1090 bylo přesné dávkování vzorků, v širokém nastavitelném rozmezí objemů, a především unikátní způsob tvorby gradientu mobilní fáze, založený na systému tří podávacích čerpadel, dávkujících při atmosférickém tlaku přesné objemy jednotlivých složek mobilní fáze na vstup vysokotlakého membránového čerpadla, které v rychlých pracovních cyklech převádí tyto objemy do vysokotlaké části systému. Toto řešení zaručuje vysokou přesnost nastaveného průběhu gradientu a připomnělo mi náš původní způsob tvorby gradientu. Německá důkladnost a preciznost se projevila na vysoké kvalitě přístroje, který je v naší laboratoři stále v provozu již 27 let k naší naprosté spokojenosti, hlavně zásluhou pana Václava Innemana, který řídké případy poruch vždy dokázal promptně opravit.
OSMDESÁTÁ LÉTA
3. VÝVOJ HPLC SEPARACÍ SULFONOVÝCH KYSELIN, POLÁRNÍCH LÁTEK A PESTICIDŮ. STOPOVÁ ANALÝZA, OBOHACOVACÍ TECHNIKY V PŘÍMÉM SPOJENÍ S HPLC
Chemické závody VCHZ Synthesia v Semtíně a Rybitví na západním okraji Pardubic nás občas zásobovaly analytickými problémy, vhodnými pro HPLC aplikace. Např. už v sedmdesátých letech jsme pro ně vyvinuli metodu separace meziproduktů při výrobě vitaminu D2 chromatografií na silikagelu s mobilní fází, obsahující méně než 1 % propanolu v hexanu. Dlouho se nám ale nedařilo vyřešit problém kontroly čistoty naftalensulfonových a antrachinonsulfonových kyselin, základních surovin při výrobě azobarviv, důležitého výrobního programu VCHZ. Bylo třeba rozdělit a stanovit nejen látky lišící se stupněm sulfonace, ale i polohové izomery jednotlivých sulfonačních stupňů. V sedmdesátých letech jsme se k tomuto účelu neúspěšně pokoušeli využít klasické iontově‐výměnné chromatografie, která však pro tyto účely vykazovala příliš nízkou účinnost a selektivitu. Později jsme zkoušeli dělení v systémech s převrácenými fázemi, které se obecně výborně hodí pro většinu separací založených na strukturních rozdílech v uhlovodíkových částech molekul. Aromatické sulfokyseliny jsou svojí silou srovnatelné s anorganickými kyselinami, ve vodně‐organických mobilních fázích jsou zcela ionizované a většina se na kolonách s chemicky vázanými alkyly vůbec nezadržuje. Začátkem osmdesátých let jsme ke zvýšení retence a selektivity separace aromatických sulfokyselin v systémech s převrácenými fázemi zkusili s částečným úspěchem využít techniku chromatografie iontových párů s přídavkem tetraalkylamoniových solí do vodně‐metanolických mobilních fází a dosáhli jsme částečné separace. Podstatně lepších výsledků jsme dosáhli přídavkem poměrně vysokých koncentrací (0,05 ‐ 0,5 mol/l) neutrálních solí (např. síranu lithného nebo sodného) k vodně‐organickým mobilním fázím, kde se projeví výrazný vysolovací efekt a výrazné zvýšení separační selektivity polohových izomerů. Aromatické sulfokyseliny se v roztocích solí dělí v pořadí klesajícího počtu sulfonových skupin a retence izomerů roste s velikostí exponovaného naftalenového či antrachinonového jádra mezi sulfoskupinami (0br. 13). Retenční chování jsme popsali teoretickým modelem (P. Jandera, J. Churáček, B. Taraba, J. Chromatogr., 262 (1983) 121) a metodu separace praktických vzorků aromatických sulfokyselin, používaných jako barvářské meziprodukty, jsme optimalizovali a patentovali (P. Jandera, J. Churáček, J. Poskočil, AO 209363, 1983).
ČSHS: Obr. 14: Separace naftalen mono‐ di‐, tri‐ a tetrasulfonových kyselin na koloně Silasorb C18 gradientem 0 – 40 % methanolu v 0,4 M vodném síranu sodném. 1,3,5,7‐tetrasulfonová k. (1), 1,3,6‐trisulfonová k. (2), 1,3,5‐trisulfonová k. (3), 1,3,7‐trisulfonová k.(4), 1,5‐disulfonová k. (5), 2,6‐disulfonová k. (6), 1,6‐disulfonová k. (7), 2,7‐disulfonová k. (8), 1,3‐disulfonová k. (9), 1,7‐disulfonová k. (10), 1‐sulfonová k. (11), 2‐sulfonová k. (12), méně polární nečistoty (X)
Pro Lachemu Brno jsme v osmdesátých letech testovali také možnosti využití ethylenglykol‐methakrylátových gelů Spheron a katexů a anexů na jejich bázi pro separace různých typů polárních látek ‐ fenolů, bází nukleových kyselin, nukleosidů, nukleotidů, barbiturátů, sulfonamidů a některých dalších léčiv. Podrobněji jsme se zabývali separacemi pesticidů: karbamátů, fenylmočovin, triazinů, organochlorových látek a halogenfenoxykarboxylových kyselin na chemicky modifikovaných silikagelových stacionárních fázích (většinou na Silasorbech od Lachemy). Řadu těchto separací polárních látek by dnes bylo možno charakterizovat jako metody HILIC chromatografie. Pro analýzu stopových koncentrací těchto látek ve vodách a ftalátů v průmyslových exhalátech jsme využívali i off‐line a on‐line spojení s obohacením na krátkých kolonkách plněných nepolárními sorbenty. Na tomto tématu jsem pracoval jako školitel‐specialista s prvními aspiranty, které mi předal plně na starost jejich hlavní školitel, prof. Churáček: Járou Kubátem, Láďou Svobodou a Honzou Fischerem ‐ poslední dva jsou nyní docenty na FChT Univerzity Pardubice.
DEVADESÁTÁ LÉTA
1. STÁŽ V USA, NELINEÁRNÍ A PREPARATIVNÍ HPLC
V létě 1989 už začaly ledy trochu roztávat a dostal jsem povolení k cestě na symposium o HPLC ve Stockholmu, kam jsem jel s přednáškou o optimalizaci třísložkových gradientů ‐ jak jinak než opět vlakem.
ČSHS: Obr. 15: Zleva: Karel Macek, Jaroslav Churáček, Lois Beaver a Georges Guiochon na symposiu HPLC 1989 ve Stockholmu
Na schůzi ediční rady Journal of Chromatography, jejímž jsem se krátce před tím stal členem na doporučení editora časopisu, doc. Karla Macka (Obr. 15), jsem se znovu setkal s prof. Guiochonem. Ten mi nabídl, abych za ním přijel na roční stáž do Knoxville v USA, kam se mezitím přestěhoval z Paříže. Intenzivně se zabýval studiem adsorpčních izoterm a separací na "přetížených" kolonách za podmínek nelineární chromatografie. To bylo téma, na něž jsem okrajově narazil již při on‐line obohacování zředěných vodných vzorků před navazující analýzou metodou HPLC a o kterém jsem se chtěl dozvědět více. Nabídku jsem proto rád přijal, i když bylo nejisté, zda k tomu dostanu potřebná povolení. Ale jednání se protáhla do podzimu a po listopadu 1989 už proti mé cestě nebyly námitky. Na jaře 1990 jsem ještě obhájil habilitační práci, která byla 10 let u ledu, a začátkem září jsem s manželkou Marií a dcerou Janou dorazil do města Knoxville ve státě Tennessee, malebně položeného na západním úpatí Apalačských hor (Smoky Mountains). Univerzita státu Tennessee měla na oddělení chemie instrumentálně dobře vybavené laboratoře ‐ setkal jsem se tam se starým známým HP 1090M, na němž jsem tam pak celý rok pracoval ‐ a skvělou knihovnu, otevřenou sedm dní v týdnu, 24 hodin denně, kde bylo k dispozici skoro všechno, na co si člověk vzpomněl.
Kvalita preparativní separace se neposuzuje úrovní dosaženého rozlišení látek, ale z ekonomického hlediska důležitější produktivitou, tj. množstvím izolované látky požadovaného stupně čistoty za jednotku času na jednotku množství náplně kolony. Je tedy třeba vypracovat výpočetní postupy pro předpověď optimálního množství dávkovaných vzorků pro přijatelnou úroveň přetížení kolony. Výpočty profilů značně asymetrických píků na přetížených kolonách vycházejí z parametrů adsorpčních izoterm, které jsem v Knoxville experimentálně měřil. Na jejich základě jsme předpovídali tvar píků numerickým řešením základních diferenciálních rovnic, popisujících distribuci látek. Cílem simulačních výpočtů je optimalizace času odběru frakcí z nesymetrických píků tak, aby bylo dosaženo maximální výtěžnosti produktu požadované čistoty v nejkratším čase (P. Jandera, D. Komers, G. Guiochon, J. Chromatogr. A, 787 (1997) 13).
Po návratu z Ameriky v létě 1991 jsem pokračoval v řešení problematiky nelineární chromatografie ve spolupráci s prof. Guiochonem v rámci bilaterálních US‐ČS grantů, později ještě v rámci grantů NATO "Science for peace" i s profesory F. Dondim z Ferrary, A. Felingerem z Veszprému a A. Seidel‐Morgensternem z Magdeburgu, kteří postupně také navštívili naše pracoviště. Na výměnné stáže k nám přijeli i dva doktorandi z Knoxville a naopak tam několikaměsíční pracovní pobyty absolvovali Honza Fischer a doktorandi David Komers a Michal Škavrada, kteří později úspěšně ohájili dizertace na téma separací za podmínek nelineární chromatografie. Numerické výpočty distribuce látek za podmínek přetížení kolony jsme využili i při studiích retenčního chování při gradientové eluci, pro předpověď odchylek od očekávaného průběhu gradientu vlivem přednostní adsorpce silnější eluční složky mobilní fáze a pro výpočty jejích průnikových objemů při gradientu, což usnadňovalo volbu takových počátečních podmínek gradientu, kdy tyto efekty ještě chování látek významně neovlivní a zdokonalení modelu předpovědi retence při gradientové eluci na polárních adsorbentech v systémech s normálními fázemi (P. Jandera, J. Chromatogr. A, 965 (2002) 239). Po odstranění stop vody důsledným vysušením složek mobilní fáze lze významně zlepšit přesnost předpovědi na úroveň srovnatelnou se standardními gradienty v systémech s převrácenými fázemi. Vypracovali jsme i postupy výpočetní kompenzace vlivu částečné migrace látek v potrubí mezi směšovačem složek mobilní fáze a kolonou před začátkem gradientu na přesnost predikce gradientových elučních objemů.
DEVADESÁTÁ LÉTA
2. HPLC/MS A CE. SEPARACE TENZIDŮ, ACYLGLYCEROLŮ, BARVIV A MEZIPRODUKTŮ. MICELÁRNÍ A SUBMICELÁRNÍ KAPALINOVÁ CHROMATOGRAFIE
Teorii retence oligomerů v systémech s převrácenými i s normálními fázemi jsme aplikovali při studiích a optimalizaci separací nižších syntetických polymerů a zejména neiontových a iontových tenzidů na bázi alkyl‐ a aryléterů alkoholů a fenolů s polyoxyethylenem. Zajímavým poznatkem z těchto studií byl dříve nepopsaný jev, kdy na různých kolonách s chemicky vázanými aminopropylovými, ale i alkylovými fázemi, mobilní fáze ovlivňovala pořadí eluce v oligomerních řadách tenzidů. Projevoval se zde nejen typ organického rozpouštědla (methanol‐voda, acetonitril‐voda, případně propanol‐voda), ale i poměr koncentrací vodné a organické složky. V oblastech s vyšší koncentrací vody retence oligomerů dle očekávání rostla v pořadí rostoucího počtu ethylenoxidových (EO) jednotek, pokud ale mobilní fáze obsahovala více než 85 – 95 % organické složky, pořadí eluce se obrátilo a látky se chovaly jako v systému s normálními fázemi i na oktadecylsilikagelových kolonách. Složení mobilní fáze, při němž docházelo ke změně retenčního mechanismu, záviselo na typu oligomerních tenzidů (P. Jandera, M. Holčapek, L. Kolářová, Int. J. Polym. Anal. Charact., 6 (2001) 261). Tohoto zjištění jsme později využili při vývoji dvourozměrných HPLC separací.
Metodami HPLC tenzidů se vedle Michala Holčapka v rámci disertací zabývali i Josef Urbánek, Bořek Prokeš a Lenka Kolářová (nyní provdaná Česlová, docentka Katedry analytické chemie) a během své stáže na stipendium NATO na tomto tématu pracoval i dr. Georgios Theodoridis z Aristotelovy univerzity v řecké Soluni (P. Jandera, M. Holčapek, G. Theodoridis, J. Chromatogr. A, 813 (1998) 299). George i jeho studenti nás od té doby ještě několikrát navštívili na kratší stáže v rámci výměnného programu Erasmus a bilaterální česko‐řecké spolupráce. I já a moji spolupracovníci jsme rádi do Soluně jezdili.
V r. 1995 jsme dostali peníze na nákup našeho prvního LC‐MS přístroje. Byl to hmotnostní spektrometr VG Platform od fy Micromass, s kvadrupólovým analyzátorem, s APCI a ESI ionizací v pozitivním i negativním módu, s rozsahem hmotností do 3000 Da, který byl spojen s gradientovým kapalinovým chromatografem fy Waters. Od samého začátku na něm pracoval v rámci disertační práce Michal Holčapek, dnes profesor Katedry analytické chemie. Nebyl to špičkový přístroj, ale používali jsme ho hlavně jako detektor, umožňující rozlišení látek s jednotkovými rozdíly hmotností. Vedle HPLC s detektorem rozptylu světla (ELSD) nám posloužila LC‐MS technika jako neocenitelný pomocník k dekonvoluci překrývajících se píků sousedních oligomerů.
Do oblasti separace oligomerů zapadal i vývoj metod analýzy tuků, olejů a technických produktů jejich zpracování, zejména kontrola konverze jednotlivých acylglycerolů na methylestery při výrobě bionafty. Volbou vhodné kolony C18 s významným podílem reziduálních silanolových skupin a kombinací postupného třísložkového gradientu voda ‐ acetonitril ‐ propanol ‐ hexan se podařilo rozdělit nejen jednotlivé látky lišící se ekvivalentním počtem uhlíkových atomů (ECN = počet atomů uhlíku v acylech snížený o dvojnásobek počtu dvojných vazeb) uvnitř skupin mono‐, di‐ a tri‐acylglycerolů, ale i řadu esterů se stejnými ECN (M. Holčapek, P. Jandera, J. Fischer, B. Prokeš, J. Chromatogr. A, 858 (1999) 13). Později se tomuto tématu velmi podrobně věnoval prof. Holčapek se svou vlastní novou skupinou.
V devadesátých letech jsme se zabývali i vývojem analytických separací (poly)sulfonovaných a metalokomplexních azobarviv, průmyslově vyráběných v podniku Synthesia, s využitím techniky HPLC‐MS. Navázali jsme na naše starší práce o separacích aromatických sulfokyselin z počátku osmdesátých let a studovali jsme vliv typu a koncentrace alkylamoniových iontově‐párových činidel s různým počtem a délkou alkylů na selektivitu separace barviv a na potlačení odezvy signálu v ESI iontovém zdroji hmotnostního spektrometru. Přídavek tetraalkylamoniových solí významně snižuje intenzitu MS signálu, proto jsme navrhli jejich náhradu dihexylamoniovým iontově‐párovým činidlem, kde je potlačení signálu méně významné a přitom retence a selektivita jsou srovnatelné jako při použití tetrabutylamoniových aditiv k mobilní fázi. K identifikaci barviv jsme používali fragmentových iontů původních barviv, i hmotnostních spekter produktů jejich redukce (M. Holčapek, K. Volná, P. Jandera, L. Kolářová, K. Lemr, M. Exner, A. Církva, J. Mass Spectrom., 39 (2004) 43).
Protože jsme začátkem devadesátých let získali přístroj pro kapilární elektroforézu od fy Prince, vypracovali jsme jako doplněk HPLC i elektromigrační metody separace azobarviv a aromatických sulfokyselin používaných jako meziprodukty při jejich výrobě. V pracovních elektrolytech s fosfátovými nebo borátovými pufry se látky dělí pouze podle počtu sulfonových skupin. Přídavkem cyklodextrinů, běžně používaných jako chirální selektory, jsme dosáhli dosud nepopsané separace polohových izomerů (P. Jandera, J. Fischer, V. Stanček, M. Kučerová, P. Zvoníček, J. Chromatogr. A, 738 (1996) 201).
V souvislosti s vývojem "zelených" metod kapalinové chromatografie, šetrnějších k životnímu prostředí, jsme zkoušeli možnosti náhrady organických rozpouštědel přídavkem tenzidů v koncentracích vyšších, než jsou kritické micelární koncentrace, k čistě vodným mobilním fázím. Tzv. micelární kapalinová chromatografie využívá distribuce vzorku mezi třemi fázemi: klasickou náplní kolony s chemicky vázanou alkylovou stacionární fází, vodou a micelami, tj. shluky molekul tenzidu (nejčastěji dodecylsíranu sodného, SDS, v koncentracích nad 8 mM). Zjistili jsme, že tenzidy do jisté míry ovlivňují separaci neiontových látek i v submicelárních koncentracích, kde se molekuly SDS neshlukují do micel. Submicelární kapalinová chromatografie do jisté míry umožňuje rozšířit rozsah polarit separovaných vzorků (P. Jandera, J. Fischer, J. Chromatogr. A, 728 (1996) 279). S přídavkem micelárních činidel k pracovním elektrolytům v kapilární elektroforéze můžeme separovat neiontové látky technikou micelární elektrokinetické chromatografie (MEKC). V naší skupině se technikami micelární chromatografie a MEKC zabývali především Honza Fischer, Václav Staněk a později Petr Česla.
ZAČÁTEK 21. STOLETÍ
1. CHARAKTERIZACE SELEKTIVITY V HPLC. VÝVOJ A CHARAKTERIZACE MONOLITICKÝCH KOLON NA BÁZI ORGANICKÝCH POLYMERŮ. SORBENTY S VTIŠTĚNÝMI MOLEKULAMI. HILIC CHROMATOGRAFIE. DVOUROZMĚRNÁ KAPALINOVÁ CHROMATOGRAFIE. SEPARACE PŘÍRODNÍCH ANTIOXIDANTŮ V PIVU, VÍNU A NEALKOHOLICKÝCH NÁPOJÍCH
Historie se začíná prolínat se současností, většinou témat, která jsme začali řešit na začátku tisíciletí, se zabýváme dodnes. Michal Holčapek se svou skupinou se zabývají HPLC‐MS aplikacemi v oblasti analýzy lipidů a metabolitů, kde má hlavní význam hmotnostní spektrometrie, což už zachází za rámec tématu této knížky. Praktické aplikace HPLC v současné době využívají někteří kolegové mimo naší skupinu, na Katedře analytické chemie i na dalších katedrách Univerzity Pardubice.
Hlavními tématickými oblastmi naší skupiny kapalinové chromatografie v tomto období je chromatografie v HILIC systémech, vývoj a optimalizace vlastností polymetakrylátových monolitických kapilárních kolon a především dvourozměrná kapalinová chromatografie. Kapalinová chromatografie hydrofilních interakcí (HILIC) používá mobilní fáze s malým obsahem vody v organickém rozpouštědle (acetonitrilu) a polárních kolon pro separace polárních látek, které se málo zadržují a špatně separují v běžných systémech s převrácenými fázemi (P. Jandera, Anal. Chim. Acta, 692 (2011) 1). Doktorandi Honza Soukup a Tomáš Hájek spolu se stážisty Szymonem Bocianem a Sylvií Nogovou z Toruně porovnávali možnosti separací karboxylových kyselin, aminokyselin, fenolických a flavonoidních látek, nukleosidů a dusíkatých bází na různých typech kolon, z nichž se nám dobře osvědčily kolony na bázi hydrosilovaného silikagelu, vyvinuté skupinou prof. Joe Peseka v Kalifornii, diolové a zwitteriontové kolony (P. Jandera, T. Hájek, V. Škeříková, J. Soukup, J.Sep. Sci., 33 (2010) 841).
Vzhledem k omezené stabilitě a výběru stacionárních fází na bázi silikagelu jsme studovali možnosti vlastní přípravy monolitických kapilárních kolon na bázi polymethakrylátu. Navázali jsme na průkopnické práce Františka Švece z Univerzity v Berkeley v Kalifornii, kterému se podařilo připravit účinné monolitické kolony na bázi styrenových (ko)polymerů. My jsme se zaměřili na polymethakrylátové monolity, vzhledem k relativně snadné přípravě kolon s různými ‐ i polárními ‐ funkčními skupinami. Polymerní monolitické kolony poskytovaly vynikající rychlé separace proteinů a dalších biopolymerů, pro nízkomolekulární látky však vykazovaly příliš nízkou účinnost v důsledku příliš malého podílu mezopórů vhodné velikosti v monolitické matrici. S doktorandy Danou Moravcovou (nyní pracuje na ÚACH AV ČR v Brně), Jiřím Urbanem (byl 2 roky na stáži u Františka Švece v Kalifornii), Veronikou Škeříkovou a v současnosti Magdou Staňkovou, jsme se pokoušeli zlepšit morfologii pórů především optimalizací složení polymerační směsi (funkční a síťující monomer, rozpouštědla). S delším funkčním monomerem (laurylmetakrylátem) a polárními síťujícími dimetakrylátovými monomery se podařilo připravit kapilární monolitické kolony s účinností až 70 000 teoretických pater na metr pro separace v systémech s převrácenými fázemi (P. Jandera, M. Staňková, V. Škeříková, J. Urban, J. Chromatogr. A, 1274 (2013) 97). Pro separace polárních látek jsme vyvinuli monolitické mikrokolony a kapilární kolony se sulfobetainovými funkčními skupinami, které vykazují dvojí separační mechanismus a lze je používat pro separace v alternujících módech: HILIC v 80‐98 % pufrovaném acetonitrilu a RP v mobilních fázích s vyšším obsahem vody a získat tak více informací o složení vzorku (M. Staňková, P. Jandera, J. Urban, V. Škeříková, J. Chromatogr. A, 1289 (2013) 47). Tyto mikrokolony nyní používáme v první dimenzi dvourozměrné kapalinové chromatografie polárních látek.
Hlavním tématem naší skupiny je v poslední době comprehensive (úplná, celostní) dvourozměrná (2D) HPLC. Tato technika využívá dva nezávislé LC systémy v přímém spojení, kdy celý vzorek postupně prochází oběma separačními dimenzemi. Obě kolony jsou spojeny přepínacím dvoupolohovým ventilem, který slouží k postupnému odběru frakcí eluátu z první kolony a jejich řevodu na druhou kolonu. Cílem 2D chromatografie je zvýšení kapacity separace, tj. počtu látek, které lze separovat ve vymezené době. Teoreticky je kapacita separace v 2D systému rovna součinu píkových kapacit v první a ve druhé dimenzi při "orthogonální" kombinaci separačních systémů se zcela rozdílnými mechanismy a selektivitou separace. V praxi toho nelze úplně dosáhnout, je však třeba zvolit takovou kombinaci separačních systémů, která se tomuto cíli co nejvíce blíží, a přitom dbát na kompatibilitu mobilních fází v obou dimenzích, aby nedocházelo k přílišnému rozšiřování, případně i deformaci píků ve druhé dimenzi (P. Jandera, J. Sep. Sci., 29 (2006) 1763]´). Kolona v první dimenzi musí být delší a mít menší průměr než kolona ve druhé dimenzi, protože celá separace odebrané frakce na druhé koloně se musí uskutečnit v průběhu odběru následující frakce eluátu z první kolony (zpravidla 1 ‐ 2 minuty) (P. Jandera, Cent. Eur. J. Chem., 10 (2012) 844).
ČSHS: Obr. 16: Schéma zařízení pro 2D LCxLC chromatografii, sestaveného v naší laboratoři. V první dimenzi je kapilární kapalinový chromatograf 1100 s monolitickou mikrokolonou, ve druhé dimenzi kapalinový chromatograf 1200 Rapid Resolution s krátkou (3 ‐ 5 cm) RP kolonou. Pro převod frakcí eluátu z první do druhé dimenze on‐line je použit deseticestný ventil Valco se smyčkami o objemu 2 nebo 5 μL
Na tématu 2D HPLC jsme začali pracovat od r. 2001 v rámci grantového projektu Evropské komise, "Comprehensive Liquid Chromatography", s akronymem COMCHROM, ve spolupráci se skupinami profesorů Tyge Greibrokka (Oslo), Petera Schoenmakerse (Amsterdam), Luigi Mondella (Messina), Didier Thiébaulta (Paříž) a Larse Blomberga (Karlstadt, Švédsko). Cílem naší skupiny v Pardubicích bylo optimalizovat kombinace stacionárních fází, rozměrů kolon a separačních podmínek s cílem dosáhnout mafstximálního počtu separovaných píků v co nejkratším čase (Obr. 16). K volbě orthogonálních separačních systémů jsme používali chemometrických metod charakterizace selektivity kolon (P. Jandera, K. Vyňuchalová, T. Hájek, P. Česla, G. Vohralík, J. Chemometrics, 22 (2008) 203). Největšího zvýšení píkové kapacity v nejkratší době analýzy jsme dosáhli při kombinaci krátké (3‐5 cm) kolony plněné povrchově pórovitými částicemi (core‐shell) nebo monolitické kolony na bázi silikagelu ve druhé dimenzi s HILIC kolonou v první dimenzi, kde se nám ve srovnání s komerčními kolonami lépe osvědčila výše popsaná monolitická sulfobetainová polymerní mikrokolona o vnitřním průměru 0,5 mm, připravená v naší laboratoři.
Významného zvýšení píkové kapacity a urychlení separace jsme dosáhli použitím souběžných gradientů mobilní fáze v obou dimenzích. Ve druhé dimenzi je doba gradientu vymezena časem převodu frakcí (1‐2 min), gradienty musí být velmi strmé a musí v této době pokrýt široké rozmezí složení mobilní fáze. Pro souběžné gradienty jsme vypracovali originální postupy optimalizace ‐ především programovaný posun změny rozmezí gradientu ve druhé dimenzi v průběhu gradientu v první dimenzi (P. Česla, T. Hájek, P. Jandera, J. Chromatogr. A, 1216 (2009) 3443). K vyhodnocování chromatogramů vyvinul Petr Česla program, umožňující převod záznamu z detektoru, zapojeného za kolonou v druhé dimenzi, do třírozměrné nebo vrstevnicové prezentace. Je možno použít i sériově zapojených vícekanálových detektorů pro zlepšení možnosti identifikace separovaných látek. My jsme k tomuto účelu používali kombinaci UV detektoru s fotodiodovým polem a electrochemického detektoru Coularray s elektrodovým polem, zejména pro separace fenolických a flavonoidních přírodních antioxidantů v nápojích, extraktech rostlin a potravinách, jak ukazuje třírozměrný záznam analýzy piva Prazdroj touto technikou (Obr. 17) (T. Hájek, V. Škeříková, P. Česla, K. Vyňuchalová, P. Jandera, J. Separation Sci., 31 (2008) 3309).
Na tomto tématu pracovali doktorandi Petr Česla, Tomáš Hájek, Veronika Škeříková a Kateřina Vyňuchalová a v rámci projektu COMCHROM i stážisté Francesco Cacciola z Messiny, Eva Blahová a Zoltán Hajdů z Bratislavy, Kasia Krupczynska a Tomasz Welwrowicz z Toruně a Simion Beldean‐Galea z Kluže.
ČSHS: Obr. 17: Třírozměrný chromatografický záznam separace přírodních antioxidantů ve vzorku piva Prazdroj s použitím současné detekce vícekanálovým spektrofotometrickým a Coularray elektrochemickým detektorem
ZÁVĚR A VÝHLEDY DO BUDOUCNA?
Od devadesátých let minulého století se periodicky objevují úvahy o tom, že vývoj HPLC je prakticky ukončen, že se již nic nového nedá v této oblasti očekávat a že tato technika bude nahrazena kapilární elektroforézou či kapilární chromatografií. HPLC a další separační techniky jsou vlastně nadbytečné, vše pohodlně zvládne hmotnostní spektrometrie, případně spojená s menší předúpravou vzorku. Navzdory těmto předpovědím se HPLC stále úspěšně rozvíjí. Hlavním trendem vývoje byla dlouhou dobu příprava stále účinnějších kolon se snižující se velikostí částic náplně, až pod 2 μm při technice UHPLC. Vzhledem k problémům s generací tepla v kolonách plněných velmi malými částicemi a nárokům na instrumentaci jsou povrchově‐pórovité a monolitické kolony lákavou alternativou k UHPLC. Hitem poslední doby je vysoce účinná tzv. superkritická fkuidní chromatografie, kde se jako mobilní fáze s nízkou viskozitou využívá CO2 s polárními přísadami v nad‐ i podkritické oblasti, je zde však omezená volba selektivity.
Selektivita byla při vývoji HPLC dosud neprávem opomíjenou Popelkou, které dle mého názoru patří budoucnost. Vzhledem k vynikající účinnosti se hlavní pozornost dosud soustřeďovala hlavně na vývoj kolon na bázi silikagelu, které mají omezenou tepelnou a chemickou stabilitu. Myslím, že můžeme brzy očekávat značný pokrok ve vývoji účinných kolon na bázi organických polymerů (především monolitických?), které lze poměrně levně připravit s širokým výběrem polymerních matric i postpolymerních modifikací "na míru" pro různé separační problémy. Složité vzorky budou stimulem pro další rozvoj multidimenzionálních technik HPLC, ve spojení s různými detekčními technikami, především s hmotnostní spektrometrií. Doufám, že se brzy dočkáme i skutečně prakticky použitelného on‐line spojení HPLC s NMR spektroskopií. To vše ukáže budoucnost. Domnívám se, že další vývoj HPLC bude zajímavý a nebude se omezovat jen na rozvoj nových aplikací.
Od konstrukce použitelného přístroje se značným tlakovým omezením před více než 40 lety, až po současný vývoj v oblasti monolitických kolon a především dvourozměrné HPLC, prošla kapalinová chromatografie i na Katedře analytické chemie v Pardubicích dlouhou cestu. Skupina HPLC se v rámci možností snažila sledovat hlavní trendy vývoje v oblasti teorie i aplikací HPLC. Doufám, že tento vývoj bude dále pokračovat.
LIDÉ
Během mého dlouhého působení na Katedře analytické chemie jsem se v naší skupině HPLC i mimo ní setkal s mnoha skvělými kolegy i (většinou) nadanými, pozornými a snaživými studenty. Především musím uvést Jaroslava Churáčka, mého dlouholetého šéfa a přítele, který na katedru zavedl chromatografii jako studijní i výzkumnou disciplinu a který také mne uvedl do této oblasti. Na naší katedře vypracovalo více než 100 studentů diplomové práce v oblasti vývoje metod a aplikací HPLC a 30 adeptů obhájilo kandidátské a disertační práce. Jejich jména uvedená v tabulce nezahrnují externí disertanty, kteří vypracovali disertaci mimo katedru, ani ty, kteří sice používali při práci HPLC jako analytickou metodu, ale jejich hlavní téma práce bylo odlišné (čistá hmotnostní spektrometrie, úpravy vzorků před vlastní analýzou u doktorandů prof. Ventury, bioafinitní chromatografie u doktorandů prof. Bílkové z Katedry biologických věd). Prof. Michal Holčapek, PhD založil vlastní skupinu hmotnostní spektrometrie na naší katedře, v jejímž rámci školí doktorandy i v oblasti HPLC/MS. Doc. Josef Královský, CSc., se na tématiku HPLC přeškolil během svého působení ve Výzkumném ústavu organických syntéz v Pardubicích ‐ Rybitví a po návratu na Katedru analytické chemie v roce 1990 vedl oddělení analýzy potravin. Řada absolventů doktorského studia z oblasti kapalinové chromatografie stále pracuje na Katedře analytické chemie Univerzity Pardubice jako učitelé, nebo jako vědeckovýzkumní pracovníci v rámci různých projektů, většina z nich nadále v oblasti HPLC, HPLC/MS nebo kapilární elektroforézy (CE). Doc. Ladislav Svoboda, CSc. vede Katedru anorganické technologie. Ing. Dana Moravcová, PhD, pokračuje ve vývoji monolitických kolon na Ústavu analytické chemie AV ČR v Brně, většina ostatních pardubických absolventů PhD studia v HPLC oblasti pracuje v soukromém sektoru. Omlouvám se, pokud jsem ve výčtu nechtěně na někoho zapomněl. Na Obr. 18 je současná skupina HPLC na Katedře analytické chemie.
ČSHS: Obr. 18: Magda Staňková, Petr Česla, Jirka Urban, Veronika Škeříková, autor, Tomáš Hájek, Katka Vyňuchalová a Honza Soukup, kolem skulptury (Heisenbergova kočka) na Univerzitě Pardubice
Disertační práce z oblasti kapalinové chromatografie, vypracované a obhájené na Katedře analytické chemie VŠCHT a Univerzity Pardubice (jména bez titulu, rok obhajoby v závorce školitel):
- Pavel Jandera, 1977 (prof. Churáček) ‐ UPa, HPLC
- Marie Janderová, 1977 (prof. Churáček)
- Ladislav Svoboda, 1980 (prof. Churáček) ‐ UPa
- Jaromír Kubát, 1985 (prof. Churáček)
- Josef Urbánek, 1988 (prof. Churáček)
- Jan Fischer, 1993 (prof. Jandera) ‐ UPa, HPLC, CE
- Bořivoj Prokeš, 1993 (prof. Jandera)
- Michal Holčapek, 1998 (prof. Jandera) ‐ UPa, HPLC/MS
- Simona Bunčeková, 2001 (prof. Jandera)
- Václav Staněk, 2001 (prof. Jandera) ‐ UPa, CE
- Michal Škavrada, 2003 (prof. Jandera)
- David Komers, 2003 (prof. Jandera)
- Lenka Kolářová ‐ Česlová, 2004 (prof. Jandera) ‐ UPa, HPLC‐MS
- Lucie Řehová ‐ Grynová, 2005 (prof. Jandera)
- Kateřina Novotná ‐ Vyňuchalová, 2006 (prof. Jandera) ‐ UPa, HPLC
- Petr Česla, 2007 (prof. Jandera) ‐ UPa, HPLC, CE
- Michal Halama, 2007 (prof. Jandera)
- Dana Moravcová, 2007 (prof. Jandera)
- Jiří Urban, 2007 (prof. Jandera) ‐ UPa ‐ UPa, HPLC
- Dana Vaněrková ‐ Ansorgová, 2007 (prof. Jandera)
- Soňa Táborská ‐ Řezková, 2007 (doc. Královský) ‐ UPa
- Martina Lasáková, 2008 (prof. Jandera)
- Miroslav Lísa, 2008 (prof. Holčapek) ‐ UPa, HPLC‐MS
- Blanka Beňová ‐ Švecová, 2008 (doc. Královský) ‐ UPa, HPLC
- Martina Molíková, 2010 (prof. Jandera)
- Veronika Škeříková, 2010 (prof. Jandera) ‐ UPa, HPLC
- Tomáš Hájek, 2011 (prof. Jandera) ‐ UPa, HPLC
- Zdeňka Kučerová, 2011 (prof. Jandera)
- Jan Soukup, 2012 (prof. Jandera) ‐ UPa, HPLC
- Hana Velínská ‐ Dvořáková, 2012 (prof. Holčapek)
- Eva Čáňová ‐ Cífková, 2013 (prof. Holčapek) ‐ UPa, HPLC‐MS
V průběhu let jsme v oblasti HPLC spolupracovali s řadou pracovišť v rámci společných projektů i neformálně. V rámci ČR to bylo především s Ing. Josefem Planetou z Ústavu analytické chemie AV ČR v Brně. V oblasti nelineární chromatografie v rámci společného grantu od nás odjeli na stáž k prof. Guiochonovi postupně Honza Fischer, David Komers a Michal Škavrada. Z University of Tennessee v Knoxville k nám přijeli doktorandi prof. Guiochona Scott Broyles a Kathleen Mihlbachler. Prof. Guiochonovi byl v r. 1998 udělen čestný doktorát Univerzity Pardubice (Obr. 19). V oblasti nelineární chromatografie jsme spolupracovali i s prof. Attilou Felingerem z univerzit ve Veszprému a v Pécsi v Maďarsku, kam vyjela na stáž Martina Molíková a k nám přijel Péter Vajda, s prof. Francescem Dondim z Univerzity ve Ferraře a s prof. Andreasem Seidelem‐Morgensternem z Univerzity v Magdeburgu.
ČSHS: Obr. 19: Prof. Georges Guiochon při udělení čestného doktorátu Univerzity Pardubice. Zleva: prof. Jaroslav Churáček, laureát prof. Georges Guiochon, autor a prof. Karel Vytřas (prorektor)
Se skupinou prof. Boguslawa Buszewského z Univerzity Mikuláše Koperníka v Toruni jsme řadu let řešili projekty z oblasti přípravy a hodnocení vlastností plněných a monolitických kolon a vysokoteplotní HPLC. Do Toruně vycestovalo nejvíc našich doktorandů: Katka Novotná (Vyňuchalová), Zdeňka Kučerová, Dana Moravcová, Martina Molíková a Jan Soukup. K nám z Toruně přijeli kromě prof. Buszewského i doc. Michal Szumski a na tří‐ až šestiměsíční stáže doktorandi Kasia Krupczyńska, Szymon Bocian, Tomasz Welerowicz, Sylvia Kowalska (Studzinska), Sylvia Noga, Justyna Walczak a Natalia Denderz. Katka Novotná (Vyňuchalová) a Martina Molíková byly na stáži u prof. Romana Kaliszana na Lékařské univerzitě v Gdaňsku, kde se v rámci projektů CEEPUS i dvoustranné spolupráce zabývaly hodnocením kolon pro HPLC.
Velmi si cením spolupráce s dr. Henkem Claessensem z Technické univerzity v Eindhovenu. Henk vedl u nás na Katedře analytické chemie výborně připravený kurz pokročilých separačních metod. Od nás do Eindhovenu vyjeli na několikaměsíční stáže Jirka Urban, Václav Staněk, Lenka Kolářová (Česlová), Simona Bedleková (Bunčeková) a Michal Halama, kteří se tam zabývali hodnocením kolon, separacemi polymerů a učili se tam přípravovat plněné i monolitické kapilární kolony. Erik Vonk z Eindhovenu u nás absolvoval kratší stáž.
V rámci programu NATO "Science for peace" k nám přijel dr. Georgios Theodoridis z Aristotelovy univerzity v řecké Soluni (Thessaloniki) a zabýval se separacemi oligomerních tenzidů. Ve spolupráci jsme dále pokračovali v rámci programů Socrates Eramus a dvoustranného řecko‐českého projektu. George nás ještě několikrát navštívil a ze Soluně k nám přijeli i PhD studenti Tassos Sakalis, Dimitrios Tsimachidis, Nicoleta Giantsiou a Tatiana Konstantinidi. Několik měsíců v Soluni strávili i Dana Ansorgová (Vaněrková), Veronika Škeříková, Tomáš Hájek a Martina Lasáková. Výzkumná témata se týkala hlavně vývoje metod pro kontrolu čistoty životního prostředí, jednak aplikace HPLC/MS technik pro analýzu degradačních produktů elektrochemického odbourávání azobarviv v odpadních vodách z textilek, jednak vývoje a aplikací monolitických sorbentů s vtištěnými molekulami analytů pro isolaci a obohacení kontaminantů ve vodách, rostlinných extraktech a v nápojích (vínech).
Výše jsem se už zmínil o projektu Evropské Komise COM‐CHROM pro vývoj technik dvourozměrné HPLC. Ten umožnil realizaci dlouhodobějších stáží (4 měsíce až 1 rok). Z naší skupiny byli u Tyge Greibrokka na universitě v Oslu Michal Holčapek a Katka Novotná (Vyňuchalová), u Petera Schoenmakerse v Amsterdamu Lenka Kolářová (Česlová) a Jirka Urban, u Luigi Mondella v Messině Veronika Škeříková a Václav Staněk, u Didier Thiébaulta na ESPCI v Paříži Martina Lasáková a Jirka Urban a u Larse Blomberga v Karstadtu (Švédsko) Dana Moravcová a Petr Česla. U nás v rámci "dvourozměrného" projektu pracovali Eva Blahová a Zoltán Hajdů z Bratislavy, Simion Beldean‐Galea z Kluže (Rumunsko), již zmínění Kasia Krupczyňska a Szymon Bocian z Toruně a hlavně Francesco Cacciola z Messiny. Francescovi se u nás tak líbilo, že si pobyt u nás prodloužil o další rok. Spolupráce s Messinou pokračovala i po skončení projektu COM‐CHROM a od prof. Mondella k nám přijeli Marco Beccaria, Giuseppe Agnello a Vanessa Oteri. Podle už poněkud otřepaného klišé ‐ chromatografie rozděluje látky, ale spojuje lidi. To se doslova potvrdilo i u naší skupiny. Při výměnných stážích v sobě našli zalíbení Martina Molíková s Peterem Vajdou z maďarského Pětikostelí, kteří se asi před rokem vzali a v současné době jsou oba jako post‐doc associates u prof. Guiochona v Knoxville.
V rámci česko‐rakouské spolupráce jsme před několika lety s prof. Ernstem Langmeierem a dr. Xinghua Guo z Technické univerzity ve Štýrském Hradci řešili dvoustranný projekt zaměřený na HPLC/MS aplikace monolitických kolon.
S řadou kolegů jsem udržoval trvalejší kontakty, setkával se na konferencích a konzultoval různé problémy z oblasti chromatografie, buď osobně, nebo korespondenčně, případně jsme měli i společné publikace. Vedle Georgese Guiochona, Boguslawa Buszewského, Henka Claessense, Petera Schoenmakerse a Attily Felingera to byli především Lloyd Snyder, Uwe Neue (bohužel nedávno zesnulý), Joe Pesek a František Švec z USA, Henri Colin, Michel Martin a Alain Tchapla z Francie, Dušan Berek a Josef Lehotay ze Slovenska, Tibor Macko z Německa a další.
Závěrem musím poděkovat za podporu na mé odborné dráze v HPLC především profesoru Miroslavu Jurečkovi, který mne přijal na Katedru analytické chemie, mému mentoru Jaroslavu Churáčkovi, který mne uvedl do oblasti chromatografie, Karlu Mackovi a Zdeňku Deylovi, kteří mi pomohli navázat kontakty s mnoha skvělými lidmi kolem časopisu Journal of Chromatography. Bohužel už nikdo z těchto skvělých lidí nežije. Můj velký dík patří i mé ženě Marii za její shovívavost a pochopení pro moji "separatistickou" profesní kariéru, která se stala i mým největším koníčkem.
Můj specielní dík a nezapomenutelné vzpomínky patří nedávno zesnulému mentorovi a příteli Prof. Georgesi Guiochonovi, který na mne působil skvělým příkladem, radou i pomocí po celých uplynulých 25 let, ve Francii, v Tennessee, při setkáních na konferencích i na dálku. Za zahraničních kolegů je mou milou povinností specielně poděkovat zetrvalou těsnou spolupráci a osobní přátelství Boguslawu Buszewskému. Obzvláště milým přítelem mi dlouhá léta byl i Jozef Lehotay.



_s.webp)
_s.webp)
_s.webp)